產業資迅
正式(shi)發(fa)布的時間:2023-10-25 17:07:43 看:994
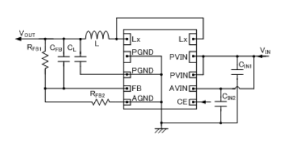
TOREX的XC9242品類是也可以以及陶瓷廠家濾波電容,放到0.11Ω(TYP.)P銑面MOS控制氯化鈉晶體管及0.12Ω(TYP.)N一端MOS旋鈕硫化鋅管的減壓數據同步整流DC/DC轉移器。XC9242國產DC/DC互轉器拉低置于多晶體管的導通電阻器,能便捷率,保持穩定的提供了更高2.0A的模擬輸出直流電壓。任務頻繁 時間范圍在2.7V~6.0V,利用自我0.8V(±2.0%)的基準線額定電壓源,用外接電容能隨著的從0.9V設施模擬輸出的電壓。
XC9242(PWM超控(kong))會使用1.2MHz和2.4MHz的打開(kai)頻繁 。軟進行時(shi)間(jian)間(jian)隔在1ms(TYP.),實行快捷(jie)開(kai)放。最多限制電壓電流為4.0A(TYP.),能符合(he)高電流的操(cao)作。
XC9242國產(chan)DC/DC裝換(huan)器(qi)在待(dai)機(ji)時(shi)會把消耗(hao)的(de)資金電(dian)流量(liang)調控在1.0μA一些。在待(dai)機(ji)時(shi),由CL髙(gao)速(su)充放(fang)電(dian)性能(neng)(neng)方(fang)面使LX-VSS兩(liang)者之間的(de)結構類型轉換(huan)開關導通,經過主(zhu)觀能(neng)(neng)動性電(dian)阻器(qi)使CL的(de)自由電(dian)荷尖端放(fang)電(dian)。這(zhe)能(neng)(neng)在待(dai)機(ji)時(shi)以免 晚期24v電(dian)源的(de)錯識操作的(de)。XC9242款型DC/DC改變器(qi)內(nei)置式(shi)UVLO(投入欠壓閘門啟閉機(ji)Under Voltage Lock Out)能(neng),在輸出(chu)電壓(ya)電流超過2.4V(TYP.)時,二次地暫停(ting)內控制(zhi)多晶(jing)體管工作。

特征英文
融(rong)入win7伺服(fu)驅(qu)動(dong)器(qi):0.11Ω(TYP.)P-ch帶動(dong)結晶管.,0.12Ω(TYP.)鑲入N-ch安裝變頻器(qi)
設(she)置額定電壓范圍圖:2.7V~6.0V
內(nei)容(rong)輸出電壓降區域:0.9V~VIN
FB端電壓:0.8V±2.0%
高準換(huan)熱效率(lv):95%(TYP.)
效果電(dian)流量:2.0A
平率依據:1.2MHz±15%,2.4MHz±15%
極限占空比:100%
效果:帶軟通電,CL自行充放,被限電流值(會自動復歸),cpu過熱(re)關斷,UVLO
內容輸出電阻:淘瓷電阻
剎車系統原則:PWM特定(ding)把控
溫比率:-40℃~+85℃
適用(yong)于生態環(huan)保法律規定:與(yu)EURoHS樣式(shi)相對、無鉛化
TOREX半(ban)導(dao)體技術(shu)重要(yao)提供了COMS、感知器(qi)、場效應(ying)管等元器(qi)材,成品以小(xiao)體積計算(suan)、性(xing)能參數專業(ye)技能而(er)最牛。
東莞 市立維創(chuang)展自(zi)動(dong)化(hua)有限(xian)的大公司,特色代銷TOREX主(zhu)機電源配件,過多現貨平臺銷量,追捧協議(yi)。
詳細情況詢問TOREX請彈窗://dev.www.gyzhkj.com/brand/62.html
產品型(xing)號 | 參看電壓電流(liu) | 運轉頻繁 | 封裝 |
XC9242B08CDR-G | 0.8V | 1.2MHz | USP-10B |
XC9242B08DDR-G | 0.8V | 2.4MHz | USP-10B |
上一篇: AC-DC電源模塊_AC-DC轉換器——PICO電源模塊
下一篇: ?DELTA工業電源