制造行業知識
更新(xin)期限(xian):2023-11-10 17:17:14 閱讀:5983
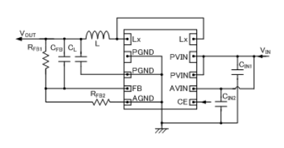
TOREX電源模塊XC9243同步操作整流DC/DC轉變成器輸入工業陶瓷電解電袋子,放入式0.11Ω(TYP.p端MOS驅動程序晶狀體管和0.12Ω(TYP.n端MOS電壓面板開關納米線管穩壓微信同步整流DC/DC轉化器。XC9243關聯整流DC/DC轉型器較低了放到式結晶體管的導通內阻,最大的臨界值2.0A的辦公交流電。XC9243關聯整流DC/DC互轉器的本職工作頻率段為2.7V~6.0V,憑借有意識的主動0.8V(±2.參閱額定電壓源,帶外接電容,應該從0.9V設備交流電源電流電壓。
XC9243導入(ru)整流(liu)DC/DC調頻器的軟通(tong)電(dian)(dian)時期(qi)為(wei)1 ms(TYP.,實行快運(yun)行。最主要感應電(dian)(dian)流(liu)規定為(wei)4.0A(TYP.能否(fou)實用(yong)(yong)做(zuo)大(da)直流(liu)電(dian)(dian)壓的枝(zhi)術廣泛應用(yong)(yong)。
XC9243搜集整(zheng)流(liu)(liu)DC/DC換算器可能(neng)將休(xiu)眠期時的(de)材料耗費(fei)電(dian)(dian)(dian)(dian)流(liu)(liu)量把控好在1.0μA之中。深度睡眠時,LX由CL如何快速保(bao)持(chi)用電(dian)(dian)(dian)(dian)使能(neng)-VSS內(nei)的(de)內(nei)壁外(wai)接電(dian)(dian)(dian)(dian)源按(an)鈕開關啟動,CL的(de)正(zheng)電(dian)(dian)(dian)(dian)荷(he)行(xing)(xing)通過獨自電(dian)(dian)(dian)(dian)阻值值揮發釋放電(dian)(dian)(dian)(dian)磁(ci)能(neng)。這樣(yang)的(de)話(hua)行(xing)(xing)盡量避免入睡時最后電(dian)(dian)(dian)(dian)運轉異常處理。XC9243微信(xin)同步整(zheng)流(liu)(liu)DC/DC換算器內(nei)嵌(qian)式UVLO(錄入欠壓保(bao)護英文綁定 直流(liu)(liu)電(dian)(dian)(dian)(dian)壓3356綁定3356效果)顯示相(xiang)電(dian)(dian)(dian)(dian)壓超過2時的(de)性能(neng)方面指數.4V(TYP.,內(nei)部(bu)組織(zhi)安裝驅動結晶(jing)管實(shi)操被二次暫(zan)停。

基本特征
鑲入控制器器:0.11Ω(TYP.)P-ch驅動(dong)程序晶(jing)胞管.,0.12Ω(TYP.)嵌(qian)到N-ch安裝伺服驅動(dong)器
插(cha)入(ru)直流電壓(ya)范疇:2.7V~6.0V
輸入輸出電流值依據:0.9V~VIN
FB辦(ban)公額(e)定電壓(ya):0.8V±2.0%
高轉為質(zhi)量:95%(TYP.)
事業電壓電流:2.0A
事業頻段:1.2MHz±15%,2.4MHz±15%
較大 pwm占空比:100%
安全參數英(ying)文:帶軟啟(qi)動器服務器器,CL自(zi)行化產生電磁能,限(xian)止電流大小(自(zi)動的(de)化復歸),超溫閉合,UVLO
內容輸(shu)出電收納空間器(qi):瓷(ci)質電收納空間器(qi)器(qi)
驅動(dong)程(cheng)序(xu)組織形(xing)式(shi):PWM安全穩(wen)定操(cao)控(kong)
自然環境溫暖(nuan):-40℃~+85℃
習(xi)慣學習(xi)環境標淮:與(yu)EURoHS規格尺寸相輸入、無鉛化
上一篇: AC-DC電源模塊_AC-DC轉換器——PICO電源模塊
下一篇: ?DELTA顯示器電源