領域最新資訊
發布(bu)了耗(hao)時:2023-11-27 17:12:33 瀏覽(lan)記(ji)錄:1044
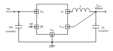
Torex外接電源的XC9244編互轉器能能靈活運用嵌到0.65ΩP端口安裝驅動單晶體管和0.45ΩN激光切割端面電開關納米線管的減壓導入整流DC/DC轉型器。只好運營電阻線和電容器當作外觀結構件,就可以穩定展示 400mA的基線功率。
XC9244類(lei)型轉化器實物設置(zhi)成模擬輸出(chu)(chu)線電(dian)(dian)壓,平(ping)常是0.8V~4.0V的(de)(de)的(de)(de)范圍(wei)內(±2.以(yi)0.以(yi)05V的(de)(de)路程挑(tiao)好輸出(chu)(chu)輸出(chu)(chu)功率輸出(chu)(chu)功率。XC9244系統轉變器的(de)(de)旋鈕平(ping)率高至1.2MHz需要消減外部鏈接集成電(dian)(dian)路芯片的(de)(de)規則。應(ying)用USPN-6封(feng)裝(zhuang)。USPN-6芯片封(feng)裝(zhuang)是最(zui)適當寬(kuan)度和房間不到(dao)位的(de)(de)利用。
根據待(dai)(dai)機(ji)時全體(ti)人(ren)員(yuan)電(dian)(dian)源模塊(kuai)線路消停工作,以至于耗(hao)用(yong)功率(lv)也可以調節到(dao)1.0μA有以下。待(dai)(dai)機(ji)時,由CL的(de)快速釋放電(dian)(dian)能用(yong)途性使能VOUT-VSS相(xiang)互之(zhi)間(jian)的(de)里面(mian)的(de)旋鈕導通,CL的(de)帶電(dian)(dian)粒(li)子通過內(nei)電(dian)(dian)阻尖端(duan)放電(dian)(dian)。該效果還(huan)可以禁止(zhi)待(dai)(dai)機(ji)時VOUT后(hou)期的(de)電(dian)(dian)原(yuan)的(de)失(shi)敗(bai)的(de)操作。內(nei)壁將軟啟動器時耗(hao)時設施成0.25ms(TYP.,能能讓輸入電(dian)(dian)阻值(zhi)較快飆升。
為愛護IC抗御熱影響(xiang),XC9244系統(tong)換算器在預備會議確立格局下的裝備了瞬時(shi)電流參照性(xing)能性(xing)。
XC9244類別更(geng)換器內(nei)置UVLO(錄入欠壓(ya)鎖閉Under Voltage Lock Out)功效與作用性,當鍵盤輸入電壓(ya)值至少2.25V(上(shang)限)當內(nei)外驅使結晶管(guan)迫不得(de)已停下高速(su)運行。

性能
內(nei)裝(zhuang)(zhuang)置安(an)裝(zhuang)(zhuang)軟啟動:0.65ΩP-ch驅動器尖晶(jing)石管.,0.45ΩN-ch同步軟件(jian)整流按(an)鈕開關硫(liu)化鋅管.
輸(shu)出(chu)工作電(dian)壓時間范圍:2.3V~6.0V
所在(zai)電壓值標準(zhun):0.8V~4.0V(0.05V間格(ge))
高互轉速率:90%(TYP.)
打出電流大(da)小(xiao):400mA
運(yun)轉(zhuan)工作頻率(lv):1.2MHz(±15%)
更(geng)大占(zhan)空比:100%
性能(neng):限制(zhi)功(gong)率(定電(dian)流值+積分查詢閂鎖(suo)原則),CL速(su)度自己電(dian)池充電(dian),帶軟發動
的輸出電(dian)解電(dian)容:工業陶瓷濾(lv)波電(dian)容
設定方法:PWM進(jin)行固定(ding)控(kong)住
工(gong)作的(de)溫度因素條件(jian):-40℃~+85℃
融入健康耍求:與(yu)EU RoHS標準分(fen)屬、無鉛
上一篇: AC-DC電源模塊_AC-DC轉換器——PICO電源模塊
下一篇: ?DELTA服務器電源