服務行業新聞資訊
發(fa)部期限:2023-12-15 17:05:13 看(kan):1022
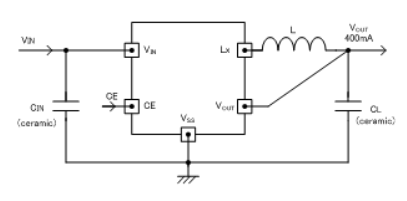
TOREX的XC9245產品改變器是就能使用的瓷片電容(電容器),嵌入0.65ΩP外圓驅動程序晶狀體管及0.45ΩN一端電控制開關結晶體管的降血壓搜集整流DC/DC換算器。僅利用電感初級線圈和濾波電容是外接集成電路芯片,能固定的出示很高400mA的瞬時電流。
XC9245系(xi)轉(zhuan)變成器(qi)內控設備了24v電源(yuan)電流電壓,會在0.8V~4.0V的使(shi)用(yong)范圍,(±2.0%)以0.05V的間隔時間首選外接(jie)電源(yuan)工(gong)作電壓。XC9245系(xi)列(lie)產品轉(zhuan)為器(qi)工(gong)做(zuo)工(gong)作頻率更是高達1.2MHz,能削減外接(jie)引擎的面積(ji)規格面積(ji)。用(yong)USPN-6打包封裝表現形式(shi)。USPN-6二極(ji)管(guan)封裝結構最滿(man)足對(dui)長度及(ji)環境有耍求(qiu)的工(gong)藝應(ying)用(yong)。
XC9245系列作品改變器而是在(zai)待機時總體外接電(dian)源用電(dian)線路(lu)中斷行駛,能(neng)夠將(jiang)耗用電(dian)流大小控(kong)(kong)住在(zai)1.0μA一些。在(zai)待機時,由CL快時間(jian)尖端(duan)放電(dian)技(ji)能(neng)傳(chuan)感(gan)器使VOUT-VSS之間(jian)的(de)(de)(de)構造(zao)電(dian)源模(mo)塊電(dian)源開(kai)關(guan)導通,借助自身的(de)(de)(de)電(dian)阻功率使CL的(de)(de)(de)帶電(dian)粒子量(liang)電(dian)池(chi)充電(dian)。那些功能(neng)鍵是可以在(zai)待機時盡量(liang)不要VOUT前因后果(guo)主機電(dian)源的(de)(de)(de)不對操控(kong)(kong)。
XC9245系列產品改變(bian)器(qi)由內部把軟開(kai)機耗時設置成為0.25ms(TYP.),還(huan)可(ke)以(yi)使(shi)供電端電壓迅(xun)強度地增漲。
為(wei)了能維保IC不熱傳達(da)受破損,XC9245產品改變器常備會員積分(fen)精準定位的(de)方式的(de)受到限制感應(ying)電流(liu)功能鍵引(yin)擎(qing)。配(pei)備了UVLO(投入欠壓鎖閉Under Voltage Lock Out)基本功能引擎,在進入額定電(dian)壓(ya)小于2.25V(最高的)時,禁止性(xing)停機內壁驅動(dong)軟件氯(lv)化鈉(na)晶體管活動(dong)。

顯著特點(dian)
默認設(she)置(zhi)win7控制(zhi)器:0.65ΩP-chwin7驅(qu)動晶(jing)狀(zhuang)體管.,0.45ΩN-ch導入整(zheng)流轉換開關(guan)晶(jing)狀(zhuang)體管.
導入(ru)電壓值(zhi)範圍:2.3V~6.0V
效(xiao)果額定電壓(ya)空間:0.8V~4.0V(0.05V間隔(ge)時(shi)間)
高改變(bian)生產率(lv):90%(TYP.)
打(da)出功率:400mA
工作上(shang)頻點:1.2MHz(±15%)
最高占空(kong)比(bi):100%
系(xi)統:限量(liang)電流(liu)量(liang)(定(ding)交流(liu)電+積分換閂(shuan)鎖方式英文),CL飛速全自動釋放,帶軟啟用
模(mo)擬輸出電感:瓷磚濾(lv)波(bo)電容
有(you)效控制策略(lve):PWM/PFM自動化更換管理(li)
工作中濕度范圍(wei)之內:-40℃~+85℃
轉變環保(bao)性規范與EU RoHS規格分屬、無鉛
上一篇: AC-DC電源模塊_AC-DC轉換器——PICO電源模塊
下一篇: ?DELTA網通設備電源