職業新聞咨詢
頒布時間:2018-08-27 11:37:58 瀏覽訪問:1892
AMCOM的(de)GaAs MMIC PAs廠品(pin)廠品(pin),近幾天新(xin)上市了(le)EM 二(er)極管(guan)封裝(zhuang),是(shi)代替(ti)前幾天的(de)FM封裝(zhuang)形式的(de),不斷未來(lai)十年一(yi)至(zhi)三30年后所有(you)的(de)編(bian)輯成EM, FM依舊會就可以重(zhong)新(xin)進貨(huo)。 EM的(de)穩定性更(geng)強,更(geng)有(you)優勢。
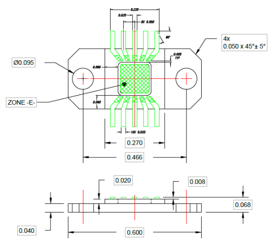
EM打包(bao)封裝的設定圖

注解:
1、零件(jian)(jian)加(jia)工/文件(jian)(jian)清淡:
|
描素 |
食材 |
|
引線構架 |
銅 |
|
環框 |
腐蝕鋁的形式1 每ASTM d2442 |
|
輪緣 |
CuW (75W;25Cu) |
1.1物料(liao)和/或生產具(ju)體步驟的其余(yu)修(xiu)改應(ying)以以書面樣式樣式簽發。
1.2所以(yi)搬卸物料的進行分析(xi)證(zheng)明怎么寫書應存檔下載不超過兩(liang)年。應按讓(rang)帶來職(zhi)業(ye)技能證(zheng)書印(yin)件。
2、需(xu)要:
3、2.1鎳板規范:
2.1.1化(hua)學鎳層厚:100微屏幕尺寸(cun)世界上最大(da)氨基磺酸鎳在區域(yu)環境(jing)-E的機構自動測(ce)量。
2.1.2鎳機(ji)的(de)薄厚數據(ju)資(zi)訊應存(cun)為在zip文件中,并選(xuan)擇(ze)大家(jia)標準要求(qiu)打造(zao)資(zi)訊。
2.2金板規(gui)定:
2.2.1電鍍(du)金應合適MIL-STD-4204,第1類(lei),III型的細(xi)分想要;在銀礦床中,鉈看做有光澤劑或(huo)晶粒大小落實措施劑的選用是引魂燈(deng)的。
2.2.2金飽和(he)度數(shu)據分析等級(ji)文(wen)憑應由產生商(shang)供給,以便(bian)不不超突(tu)破5年。應追求(qiu)企業客戶供給等級(ji)文(wen)憑身份(fen)證復(fu)印件。
2.2.3電鍍件薄厚:最窄504英(ying)寸,最高(gao)測量方(fang)法空(kong)間(jian)E--。
3、查驗/檢(jian)測:
3.1膠水劑連(lian)接管:
3.1.1鍵合頁面(mian)為90%無細縫。
3.2.2在締(di)合(he)物到(dao)法(fa)蘭部(bu)粘合(he)連接管中的(de)細縫或(huo)不重(zhong)復(fu)性(xing)(xing)是可聯受的(de),約定包裝箱綠色通道享有外泄獨(du)立性(xing)(xing)性(xing)(xing),MI-STD-883的(de)方式(shi)1014.10C。
3.2白皙度:
3.2.1區-E(交叉(cha)點區域環境)為0.0010平。
3.3排列:
3.3.1高(gao)分子物對法蘭片(pian)的角(jiao)向排(pai)列三,比(bi)較(jiao)大3°。
3.4熱周期公(gong)式(shi):
3.4.1鑲金應在氧氣工作氛(fen)圍中進行320°C±5°C,持繼5鐘頭±30秒。根據熱外理標簽(qian)印刷。
3.4.2引(yin)線拉(la)力:引(yin)線在拉(la)90°到環框水平(ping)的(de)時候要承(cheng)受壓力最少0.66磅防患標準面。
3.4.3可焊(han)性:引線(xian)應按(an)MIL-STD750,策略(lve)2026可焊(han)(省略(lve)除(chu)員證之外(wai)的(de)蒸(zheng)汽發(fa)生(sheng)器脫落)。
3.5丟開漏洞應在法蘭片和引線(xian)范圍(wei)內的(de)(de)200 VDC處為1微安,并造成的(de)(de)引線(xian)。
3.6引線框(kuang)(kuang)難(nan)以交叉到(dao)環框(kuang)(kuang)空腔邊角。















多的詳情頁,請練習咱們客服在線!!!