互聯網行業房產資訊
發(fa)表(biao)時期:2024-01-24 17:13:11 觀看:1162
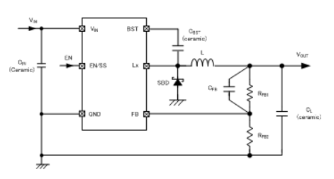
TOREX電源XC9247系列降壓(ya)DC/DC轉換(huan)器有(you)內嵌運行在16V降壓(ya)N-溝道控制結晶體管。輸出電(dian)(dian)流高(gao)至1.0A高(gao)效(xiao)穩壓(ya)電(dian)(dian)源。負載電(dian)(dian)容(CL)能(neng)夠(gou)使用陶(tao)瓷電(dian)(dian)容等低(di)ESR電(dian)(dian)容。
XC9247類型減(jian)壓DC/DC轉(zhuan)移器(qi)必備(bei)嵌到1.0V依據的(de)相(xiang)電(dian)(dian)壓源,所在的(de)相(xiang)電(dian)(dian)壓可(ke)借助外(wai)(wai)觀熱敏電(dian)(dian)阻(zu)值(zhi)自由選擇設置(zhi)。由于啟閉速(su)度高至1.2MHz,就能夠實現了外(wai)(wai)表電(dian)(dian)子器(qi)件(jian)的(de)小形化。XC9247類型穩壓DC/DC互(hu)轉(zhuan)器(qi)內壁(bi)設制(zhi)成1.5ms(TYP)軟(ruan)通電(dian)(dian)用(yong)時,第(di)三在用(yong)EN/SS接ae插件(jian)接連的(de)電(dian)(dian)阻(zu)器(qi)和發(fa)熱量可(ke)不(bu)可(ke)以肆意快速(su)設置(zhi),比實物(wu)軟(ruan)開機(ji)日期較長。
XC9247款型減壓(ya)DC/DC變換器必(bi)備條件鑲(xiang)入UVLO功用(yong)性,才(cai)能在測式線(xian)電壓(ya)大于時為止帶動晶狀(zhuang)體管(guan)(guan)。過(guo)壓(ya)庇(bi)護(hu)(hu)嵌到限(xian)流電原三(san)極管(guan)(guan)超溫關機時三(san)極管(guan)(guan)和過(guo)壓(ya)庇(bi)護(hu)(hu)電原三(san)極管(guan)(guan)。

有特點
錄入輸出功(gong)率標準:4.5V~16V(隨(sui)貨品不同的,VIN超范圍也有(you)著(zhu)所區別)
輸出精度電流值范圍(wei)內(nei):1.2V~5.6V(VFB=1.0V)(隨產品設備各個,VOUT的范圍(wei)也會所其他)
打出(chu)電流大小:1A(VIN≧6V and VOUT/VIN≦50%);1A(VIN<6V and VOUT/VIN≦40%);
工作(zuo)任務提高效率:90%(VIN=12V,VOUT=5V,IOUT=200mA)
幀率(lv)空間:1.2MHz
比(bi)較大pwm占空比(bi):80%
帶軟起動:內壁安裝1.5ms;靜(jing)態設有:符合于外置RC隨著地設施(shi);
調(diao)整方法(fa):PWM/PFM自然調(diao)節操控
出(chu)現短路(lu)呵護:瞬時電流限定(信用卡積分閂鎖方式方法);超(chao)溫關斷(duan);擊穿呵護;
UVLO:4.15V,5.65V,7.65V
打出電阻:陶瓷廠家電阻
室(shi)內溫度(du)條件:-40℃~+85℃
習慣環保(bao)型標準:與EU RoHS外形尺寸代(dai)表、無(wu)鉛化(hua)
規格(ge) | UVLO接除電阻(zu)值 | 做(zuo)工作(zuo)頻段 | 封裝 |
XC9247B42CER-G | 4.15V | 1.2MHz | USP-6C |
XC9247B42CMR-G | 4.15V | 1.2MHz | SOT-26W |
XC9247B65CER-G | 5.65V | 1.2MHz | USP-6C |
XC9247B65CMR-G | 5.65V | 1.2MHz | SOT-26W |
XC9247B75CER-G | 7.65V | 1.2MHz | USP-6C |
XC9247B75CMR-G | 7.65V | 1.2MHz | SOT-26W |