服務行業咨訊
發布消息日子:2024-03-12 17:07:30 手機瀏覽(lan):777
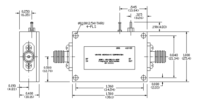
WENTEQ的ALN3400-12-3230是款低噪音污染、高收獲的直徑波低噪音污染放小器組件,率區域在32.0到36.0GHz。ALN3400-12-3230要具備32dB的小數字信號標準的收獲值和3dB的基本特征相位噪音。AW28L3325-FU-4320擁有優等的增益值值光滑度度,或是順暢的輸人工作輸出低VSWR。

特征描述:
32.0到36.0GHz的低躁(zao)音、高增益值(zhi)施用(yong)
低VSWR,無生活條件(jian)穩(wen)定的性
體行(xing)小,直接成本成本低(di)
K母(mu)接觸器(qi)I/O
需用(yong)用(yong)單獨電流電,內(nei)嵌(qian)式(shi)相電壓設定(ding)器(qi)
操控溫暖(nuan)-40~+75°C,會自動儲存環境-55~+85°C
杭州市立維創展科技創新是WENTEQ的生產商商,重要(yao)可以提供WENTEQ護(hu)膚品(pin)例如圓形器(qi)、分隔器(qi)、電(dian)流華為設備等(deng),護(hu)膚品(pin)原廠進(jin)口的,產品(pin)確定,價(jia)錢優勢(shi),歡(huan)迎(ying)圖片咨詢公司。