企業信息
推(tui)送用時:2024-03-18 17:08:10 預覽:826
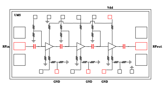
UMS的CHA2069-99F是款三級自偏置寬帶網單支低躁聲調小器。
CHA2069-99F運行規(gui)則化 pHEMT 工藝設備工藝設備工藝:0.25μm 柵(zha)極尺寸規(gui)格(ge)、橫穿柔性板(ban)的(de)通孔、氣(qi)氛(fen)橋(qiao)和電子元器(qi)件束柵(zha)星空刻技能。
CHA2069-99F以集(ji)成塊基(ji)本(ben)模式(shi)展示。

具體表現
光(guang)纖寬帶使用性能16-31GHz
2.5dB相位躁聲
低整流電功能模塊不足,55mA
20dBm三階截距點
打包封裝(zhuang)長(chang)寬(kuan)高:2170 x 1270x0.1mm
河南市(shi)立維創(chuang)展科技(ji)發展十分有限工司授(shou)權許可銷售UMS微波射頻,爭對部件(jian)主要參數(shu)的UMS產(chan)品設備的供應好的的現貨平臺產(chan)品設備的存量,受歡迎咨詢公司。