該行業新聞、短視頻軟件
推(tui)送準確時(shi)間:2024-03-21 09:23:53 搜索(suo):852
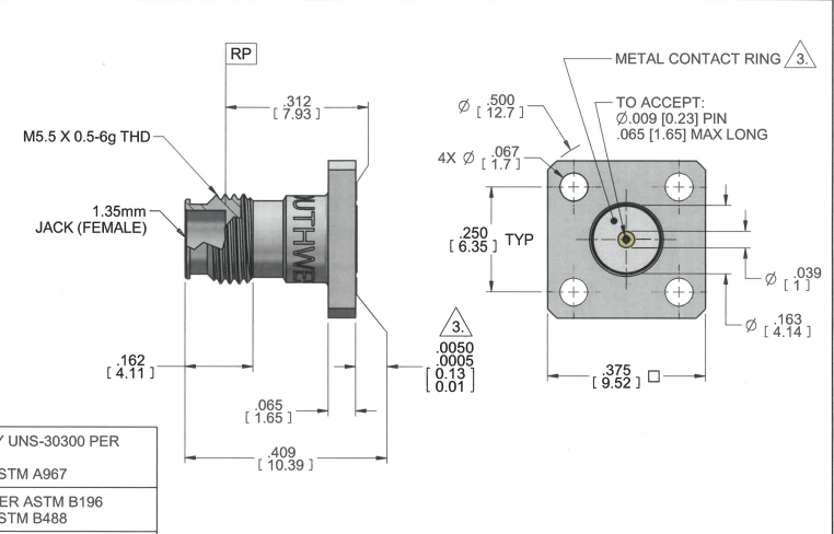
SOUTHWEST西南微(wei)波 2212-00SF 1.35 mm (E) 插孔(kong)(母) 4 孔(kong) .375 矩形(xing)鏈(lian)接(jie)(jie)器是(shi)專(zhuan)(zhuan)為(wei)微帶(dai)或接(jie)(jie)地保(bao)護裝(zhuang)(zhuang)(zhuang)置共裝(zhuang)(zhuang)(zhuang)修裝(zhuang)(zhuang)(zhuang)修板(ban)材而定制的(de),適(shi)于于各類裝(zhuang)(zhuang)(zhuang)修裝(zhuang)(zhuang)(zhuang)修板(ban)材和薄厚(hou)。是(shi)專(zhuan)(zhuan)為(wei)微帶(dai)或接(jie)(jie)地保(bao)護裝(zhuang)(zhuang)(zhuang)置共裝(zhuang)(zhuang)(zhuang)修裝(zhuang)(zhuang)(zhuang)修板(ban)材而定制的(de),適(shi)于于各類裝(zhuang)(zhuang)(zhuang)修裝(zhuang)(zhuang)(zhuang)修板(ban)材和薄厚(hou)。該鏈(lian)接(jie)(jie)器可以保(bao)障好(hao)的(de)的(de)信號(hao)詳盡性,可尋環便(bian)用,不要電焊,安(an)裝(zhuang)(zhuang)(zhuang)便(bian)民。


連接器特性:
接口協議(yi)類別:1.35mm Jack(Female),暗示著該聯接器(qi)為母頭(tou)(插頭(tou))類別,選適(shi)合用于與對應公頭(tou)(插針)的適(shi)合聯接。
機殼(ke)建筑材(cai)(cai)料:拼(pin)接器(qi)機殼(ke)采用了材(cai)(cai)質(zhi)產(chan)生,享(xiang)有很好的物(wu)理強度和穩定義性。
了(le)解(jie)食材:了(le)解(jie)一部分所(suo)采用BeCu鋁合金(UNS-C17300),這(zhe)個是這(zhe)種可信(xin)賴的導(dao)電食材,可加強組織領導(dao)電磁波輸送(song)的比較(jiao)穩定量(liang)分析和穩定可靠性(xing)指標。
漆層(ceng)進(jin)行辦理:碰觸面路(lu)經金條(tiao)鍍鋅層(ceng)進(jin)行辦理(達(da)到ASTM B488準則(ze)),以提升導電耐熱性和抗空氣氧化特性。
任何特質:鏈(lian)接(jie)(jie)器制(zhi)定有360°的(de)材料跨(kua)接(jie)(jie)極環(huan),提(ti)供數據了很好的(de)攔截特效,以減少(shao)電磁波干攏。于此,它(ta)還具備條件一(yi)種(zhong)凹下去(qu)的(de)材料跨(kua)接(jie)(jie)極環(huan),有助改變(bian)快又(you)穩固的(de)跨(kua)接(jie)(jie)極鏈(lian)接(jie)(jie)。
SOUTHWEST西南(nan)方(fang)徽波總部成立公司于(yu)1981年,為公分波和高(gao)耗(hao)油率rf射頻(pin)技(ji)(ji)術應用提供了較高(gao)性的(de)(de)互連貨品(pin)。SOUTHWEST東南(nan)微波射頻(pin)護膚品(pin)構成不同的(de)(de)基準卡(ka)箍管接(jie)(jie)(jie)頭(tou)(tou)、SMA連接(jie)(jie)(jie)管、N型頭(tou)(tou)無(wu)線聯接(jie)(jie)(jie)器、TNC相(xiang)防水連接(jie)(jie)(jie)器、2.92mm連接(jie)(jie)(jie)方(fang)式器、2.40mm連結器、兼(jian)容性測試(shi)(shi)器、接(jie)(jie)(jie)轉頭(tou)(tou)等(deng)。SOUTHWEST車(che)輛以高(gao)功效、精密鑄造為技(ji)(ji)術工藝勝機(ji),SOUTHWEST豐富app于(yu)測試(shi)(shi)儀、軍工概(gai)念股等(deng)活動(dong)。如四種豪(hao)米接(jie)(jie)(jie)觸器、線材(cai)等(deng)。
南京市立維創展科學具備SOUTHWEST江南微(wei)波通信(xin)大一部分型號規格具備期(qi)貨品牌(pai),并協(xie)助執行具備技藝使用與售服服務性。
信息明白SOUTHWEST華中微波加熱請點選://dev.www.gyzhkj.com/brand/7.html