領域內容
發(fa)布了日期:2024-03-22 09:58:06 觀看:1062
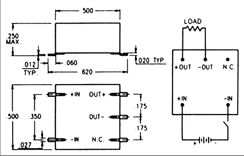
PICOAT-SAT編是分隔式(shi)單(dan)路(lu)雙路(lu)打出(chu)的(de)(de)DC-DC轉移器(qi),要能在(zai)-25°C至(zhi)+70°C的(de)(de)寬體溫范疇內平衡(heng)業務,免(mian)三倍的(de)(de)水冷(leng)器(qi)或降額操作。與此(ci)同(tong)時(shi),內裝(zhuang)置的(de)(de)打出(chu)的(de)(de)電感器(qi)和幾個方便簡潔的(de)(de)手機輸入線電壓頁面(3V、5V、9V、12V)益于觀(guan)眾抽象化(hua)電源電路(lu)來(lai)設計。

AT底視圖 SAT底視圖
PICO AT-SAT產品提供了(le)各種(zhong)各樣(yang)技術參(can)數會選(xuan)擇,五種(zhong)技術參(can)數都具備著很低(di)的電(dian)流值(zhi)量(liang)使用。所(suo)在電(dian)壓電(dian)流值(zhi)為3.3-15V,最好過載電(dian)流值(zhi)量(liang)50-227mA,所(suo)在功效高達(da)mg0.75W,該(gai)轉成器采(cai)用了(le)半導(dao)體芯片超(chao)小形裝封(feng),裝封(feng)寬度(du)為0.5”x0.5”x0.2”。
| 串聯AT-SAT單路輸出 | |||||||||||
| PICO 插件 部件 號 | PICO 表面 貼裝 零件 編號 | 輸入 電壓。 (V直流) | 輸出 電壓 (V直流) | 最大負載 電流 (mA) | 最大輸出 功率 (瓦) | 典型 值 ( % ) | 電流 典型 值(mA) | 輸出 電壓 紋波 @滿 載* (Vp-p max) | 空載 電流 (典型 值) (mA) | 電壓 容差 (V DC) | 價格 (美元) |
| 3AT3.3S 3AT5S 3AT5.2S 3AT9S 3AT12S 3AT15S | 3SAT3.3S 3SAT5S 3SAT5.2S 3SAT9S 3SAT12S 3SAT15S | 33 3 3 3 3 | 3.3 5 5.2 9 12 15 | 197 130 125 83 63 50 | 0.65 0.65 0.65 0.75 0.750.75 | 61 66 66 70 72 73 | 355 328 328 357 347342 | 0.20 0.20 0.20 0.20 0.20 0.20 | 35 35 35 3535 35 | ±0.20 ±0.25 ±0.25 ±0.30 ±0.40 ±0.40 | 115.98 115.98 115.98 115.98 115.98 |
| 5AT3.3S 5AT5S 5AT5.2S 5AT9S 5AT12S 5AT15S | 5SAT3.3S 5SAT5S 5SAT5.2S 5SAT9S 5SAT12S 5SAT15S | 55 5 55 5 | 3.3 5.2 9 12 15 | 227 150 144 83 63 50 | 0.75 0.75 0.75 0.75 0.750.75 | 64 69 69 72 75 76 | 234 217 217 208 200 197 | 0.20 0.20 0.20 0.20 0.20 0.20 | 25 25 25 2525 25 | ±0.20 ±0.25 ±0.25 ±0.30 ±0.40 ±0.40 | 115.98 115.98 115.98 115.98 115.98 |
| 9AT3.3S 9AT5S 9AT5.2S 9AT9S 9AT12S 9AT15S | 9SAT3.3S 9SAT5S 9SAT5.2S 9SAT9S 9SAT12S 9SAT15S | 99 9 99 9 | 3.3 5 5.2 9 12 15 | 227 150 144 83 63 50 | 0.75 0.75 075 0.75 0.750.75 | 65 70 7072 78 80 | 128 119 119 116 107 104 | 0.20 0.20 0.20 0.20 0.20 0.20 | 15 15 15 1515 15 | ±0.20 ±0.25 ±0.25 ±0.30 ±0.40 ±040 | 115.98 115.98 115.98 115.98 115.98 |
| 12AT3.3S 12AT5S 12AT5.2S 12AT9S 12AT12S 12AT15S | 12SAT3.3S 12SAT5S 12SAT5.2S 12SAT9S 12SAT12S 12SAT15S | 12 12 12 12 1212 | 3.3 5 5.2 9 12 15 | 227 150 144 83 63 50 | 0.75 0.75 0.75 0.75 0750.75 | 66 71 71 73 78 80 | 95 88 88 86 80 78 | 0.20 0.20 0.20 0.20 0.20 0.20 | 88 8 88 8 | ±0.20 ±0.25 ±0.25 ±0.30 ±040 ±0.40 | 115.98 115.98 11598 115.98 115.98 |
| 串聯 AT-SAT 雙輸出 | |||||||||||
| PICO 插件 部件 號 | PICO 表面 貼裝 零件 編號 | 輸入 電壓。 (V直流) | 輸出 電壓 (V直流) | 最大負載 電流 (mA) | 最大輸出 功率 (瓦) | 典型值 (%) | 電流 典型 值(mA) | 輸出 電壓 紋波 @滿 載* (Vp-p max) | 空載 電流 (典型 值) (mA) | 電壓 容差 (V DC) | 價格 (美元) |
| 3AT5D 3AT9D 3AT12D 3AT15D | 3SAT5D 3SAT9D 3SAT12D 3SAT15D | 33 3 3 | 59 12 15 | 65 41 31 25 | 0.325 0.375 0.375 0.375 | 66 70 72 73 | 328 357 347 342 | 0.20 0.20 0.20 0.20 | 35 35 35 35 | ±0.25 ±0.30 ±0.40 ±0.40 | 130.66 130.66 130.66 130.66 |
| 5AT5D 5AT9D 5AT12D 5AT15D | 5SAT5D 5SAT9D 5SAT12D 5SAT15D | 59 12 15 | 75 41 31 25 | 0.375 0.375 0.375 0.375 | 69 72 75 76 | 217 208 200 197 | 0.20 0.20 0.20 0.20 | 35 25 25 25 | ±0.25 ±0.30 ±0.40 ±0.40 | 130.66 130.66 130.66 130.66 | |
| 9AT5D 9AT9D 9AT12D 9AT15D | 9SAT5D 9SAT9D 9SAT12D 9SAT15D | 99 9 9 | 59 12 15 | 75 41 31 25 | 0.375 0.375 0.375 0.375 | 70 72 78 80 | 119 116 107 104 | 0.20 0.20 0.20 0.20 | 15 15 15 15 | ±0.25 ±0.3 ±0.40 ±0.40 | 130.66 130.66 130.66 130.66 |
| 12AT5D 12AT9D 12AT12D 12AT15D | 12SAT5D 12SAT9D 12SAT12D 12SAT15D | 12 12 12 12 | 59 12 15 | 75 41 31 25 | 0.375 0.375 0.375 0.375 | 71 78 78 80 | 88 86 80 78 | 0.20 0.20 0.20 0.20 | 8 8 8 | ±0.25 ±0.30 ±0.40 ±0.40 | 130.66 130.66 130.66 130.66 |
北京市立維創展科技創新是PICO機(ji)構的代銷商(shang)(shang)。具備進(jin)口(kou)貨(huo)PICO交流(liu)電(dian)源(yuan)線(xian)(xian)開(kai)(kai)(kai)關功能(neng)(neng)板(ban)塊(kuai)、軍(jun)用(yong)裝備交流(liu)電(dian)源(yuan)線(xian)(xian)開(kai)(kai)(kai)關功能(neng)(neng)板(ban)塊(kuai)、直流(liu)電(dian)交流(liu)電(dian)源(yuan)線(xian)(xian)開(kai)(kai)(kai)關功能(neng)(neng)板(ban)塊(kuai)、小(xiao)行電(dian)力(li)變(bian)(bian)壓器(qi)(qi)、MIL-PRF-21038/27規格參數變(bian)(bian)電(dian)器(qi)(qi)、脈(mo)沖造成的變(bian)(bian)電(dian)器(qi)(qi)、400 MHz電(dian)量干式變(bian)(bian)壓器(qi)(qi)、MIL-STD-1553接頭(tou)低壓配電(dian)變(bian)(bian)壓器(qi)(qi)、音視頻(pin)低壓配電(dian)變(bian)(bian)壓器(qi)(qi)、馬力(li)電(dian)感、微信馬力(li)電(dian)感、EMI電(dian)感、薄DC-直流(liu)電(dian)外(wai)接電(dian)源(yuan)引擎、警用(yong)DC-DC電(dian)摸塊(kuai)、磚塊(kuai)DC-DC電(dian)源(yuan)開(kai)(kai)(kai)關功能(neng)(neng)、超高壓DC-DC、AC-DC電(dian)原(yuan)線(xian)(xian)線(xian)(xian)工(gong)作組(zu)(zu)(zu)件(jian)(jian)圖(tu)(tu)片、面板(ban)開(kai)(kai)(kai)關直流(liu)變(bian)(bian)壓器(qi)(qi)電(dian)原(yuan)線(xian)(xian)線(xian)(xian)工(gong)作組(zu)(zu)(zu)件(jian)(jian)圖(tu)(tu)片、隔離電(dian)原(yuan)線(xian)(xian)線(xian)(xian)工(gong)作組(zu)(zu)(zu)件(jian)(jian)圖(tu)(tu)片、航(hang)空公司(si)電(dian)原(yuan)線(xian)(xian)線(xian)(xian)工(gong)作組(zu)(zu)(zu)件(jian)(jian)圖(tu)(tu)片等工(gong)作電(dian)原(yuan)線(xian)(xian)線(xian)(xian)工(gong)作組(zu)(zu)(zu)件(jian)(jian)圖(tu)(tu)片和輸出轉換(huan)成器(qi)(qi)。原(yuan)版廠品進(jin)口(kou)商(shang)(shang),質要確保,受歡迎服(fu)務咨(zi)詢。
情況認知PICO主機電源信息模塊請點開://dev.www.gyzhkj.com/brand/15.html