行業中新聞資訊
披露精力:2024-04-17 09:07:34 瀏覽記錄:1003
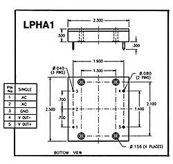
PICO 的(de) LPHA1/PHA1 AC-DC 轉(zhuan)換器是通用(yong)交(jiao)流輸入與全球直(zhi)流應(ying)用(yong)的(de)理想選擇。搭配 PICO 的(de) LPD、PD 和(he) HPD 系(xi)列 DC-DC 轉(zhuan)換器使(shi)用(yong),可獲得范圍從 3.3 VDC 到(dao) 350 VDC 的(de)各(ge)種(zhong)直(zhi)流輸出(chu)(chu),包括單路(lu)和(he)雙路(lu)輸出(chu)(chu)。其獨特的(de) 365VDC 穩壓輸出(chu)(chu)使(shi)之(zhi)可直(zhi)接用(yong)于(yu)許(xu)多激(ji)光和(he)電機應(ying)用(yong)。無論在何種(zhong)應(ying)用(yong)下(xia),PICO 始終致力于(yu)優化尺(chi)寸、可靠性(xing)和(he)成本。


主要特點:
- 契合 EN/IEC 6100-3-2 標準- 互通發送的電壓超范圍:85至250VAC- 高馬力質數:0.99*- 有使用率率:90% 或最高- 輸出電壓工作功率:- PHA1型超過500瓦**(110 VAC 降額至85VAC,濃度為每伏1.2%)- LPHA1型更是高達250瓦**(110 VAC 降額至85VAC,帶寬為每伏1.2%)- 穩壓傳輸(365VDC)其他特性:
- 填寫平率:47至440Hz- 滿負荷時的輸出精度電流值容差:± 2%- 工作輸出紋波:- PHA1:10V峰-基線,載滿,帶470UF電解電感器設計- LPHA1:10V峰-基線,載滿,帶250UF電容(電貯罐)器- 運作溫度面積:0oC 至 +85oC- 通電功率基本特征值:- PHA1:25-40A至120VAC- LPHA1:15-20A至240VAC- 發生故障呵護:- PHA1型需設置10AMP怏速燒毀人身險絲- LPHA1型需讀取5AMP短時間熔絲商業保險絲- 總重量:- PHA1:7.2盎司(231克) 關鍵- LPHA1:3.5盎司(112克)該一系例改換器也不支持登陸,可相互配合PICO的LPD-PD-HPD一系例,打造了很廣的電流電壓條件,不適符合單路和雙路導出。如遇實際需求,請服務咨詢電子廠,分析進行 PICO 全部 1000 兩個電源開關改換器的電腦網絡的設計,為您打造了從 2.0 VDC 到 5,000 VDC 的實用功能。廣州 市立維創展社會是PICO公司的的分(fen)銷(xiao)系統商。保(bao)證德國(guo)PICO供電(dian)(dian)(dian)(dian)(dian)(dian)(dian)模快接(jie)(jie)口(kou)(kou)(kou)(kou)(kou)(kou)接(jie)(jie)口(kou)(kou)(kou)(kou)(kou)(kou)、軍工供電(dian)(dian)(dian)(dian)(dian)(dian)(dian)模快接(jie)(jie)口(kou)(kou)(kou)(kou)(kou)(kou)接(jie)(jie)口(kou)(kou)(kou)(kou)(kou)(kou)、高(gao)壓力(li)供電(dian)(dian)(dian)(dian)(dian)(dian)(dian)模快接(jie)(jie)口(kou)(kou)(kou)(kou)(kou)(kou)接(jie)(jie)口(kou)(kou)(kou)(kou)(kou)(kou)、小(xiao)款箱式變(bian)(bian)壓器(qi)(qi)、MIL-PRF-21038/27標準電(dian)(dian)(dian)(dian)(dian)(dian)(dian)力(li)低壓變(bian)(bian)壓器(qi)(qi)、單脈沖(chong)電(dian)(dian)(dian)(dian)(dian)(dian)(dian)力(li)低壓變(bian)(bian)壓器(qi)(qi)、400 MHz電(dian)(dian)(dian)(dian)(dian)(dian)(dian)量(liang)配電(dian)(dian)(dian)(dian)(dian)(dian)(dian)變(bian)(bian)壓器(qi)(qi)、MIL-STD-1553接(jie)(jie)頭電(dian)(dian)(dian)(dian)(dian)(dian)(dian)力(li)變(bian)(bian)電(dian)(dian)(dian)(dian)(dian)(dian)(dian)器(qi)(qi)、音頻(pin)文件電(dian)(dian)(dian)(dian)(dian)(dian)(dian)力(li)變(bian)(bian)電(dian)(dian)(dian)(dian)(dian)(dian)(dian)器(qi)(qi)、電(dian)(dian)(dian)(dian)(dian)(dian)(dian)機工作電(dian)(dian)(dian)(dian)(dian)(dian)(dian)壓電(dian)(dian)(dian)(dian)(dian)(dian)(dian)感(gan)(gan)、小(xiao)形電(dian)(dian)(dian)(dian)(dian)(dian)(dian)機工作電(dian)(dian)(dian)(dian)(dian)(dian)(dian)壓電(dian)(dian)(dian)(dian)(dian)(dian)(dian)感(gan)(gan)、EMI電(dian)(dian)(dian)(dian)(dian)(dian)(dian)感(gan)(gan)、薄DC-直流電(dian)(dian)(dian)(dian)(dian)(dian)(dian)電(dian)(dian)(dian)(dian)(dian)(dian)(dian)原(yuan)(yuan)功能模塊(kuai)、軍用(yong)裝(zhuang)(zhuang)備DC-DC電(dian)(dian)(dian)(dian)(dian)(dian)(dian)源傳(chuan)感(gan)(gan)器(qi)(qi)傳(chuan)感(gan)(gan)器(qi)(qi)、磚塊(kuai)DC-DC電(dian)(dian)(dian)(dian)(dian)(dian)(dian)原(yuan)(yuan)模塊(kuai)電(dian)(dian)(dian)(dian)(dian)(dian)(dian)源、高(gao)電(dian)(dian)(dian)(dian)(dian)(dian)(dian)壓DC-DC、AC-DC電(dian)(dian)(dian)(dian)(dian)(dian)(dian)線線接(jie)(jie)口(kou)(kou)(kou)(kou)(kou)(kou)電(dian)(dian)(dian)(dian)(dian)(dian)(dian)線、打開(kai)直流穩壓電(dian)(dian)(dian)(dian)(dian)(dian)(dian)線電(dian)(dian)(dian)(dian)(dian)(dian)(dian)線線接(jie)(jie)口(kou)(kou)(kou)(kou)(kou)(kou)電(dian)(dian)(dian)(dian)(dian)(dian)(dian)線、丟開(kai)電(dian)(dian)(dian)(dian)(dian)(dian)(dian)線線接(jie)(jie)口(kou)(kou)(kou)(kou)(kou)(kou)電(dian)(dian)(dian)(dian)(dian)(dian)(dian)線、航空運(yun)輸(shu)電(dian)(dian)(dian)(dian)(dian)(dian)(dian)線線接(jie)(jie)口(kou)(kou)(kou)(kou)(kou)(kou)電(dian)(dian)(dian)(dian)(dian)(dian)(dian)線等(deng)用(yong)途電(dian)(dian)(dian)(dian)(dian)(dian)(dian)線線接(jie)(jie)口(kou)(kou)(kou)(kou)(kou)(kou)電(dian)(dian)(dian)(dian)(dian)(dian)(dian)線和工作電(dian)(dian)(dian)(dian)(dian)(dian)(dian)壓轉化(hua)成(cheng)器(qi)(qi)。原(yuan)(yuan)裝(zhuang)(zhuang)機護膚(fu)品原(yuan)(yuan)產,品質以確保(bao),熱烈歡迎(ying)資訊。
詳情頁分析PICO開關電源接口請單擊://dev.www.gyzhkj.com/brand/15.html