服務業新聞咨詢
推出時(shi)光:2024-04-22 09:28:29 觀看:873
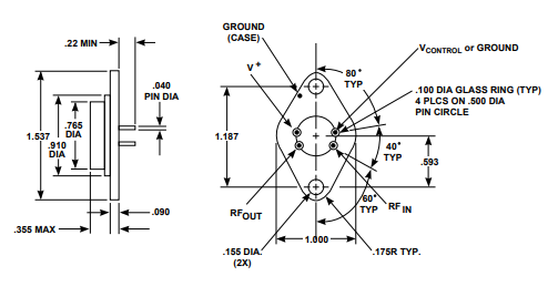
AGC-330是一款壓控放大器,由Teledyne公司(si)生產。它采用(yong)了(le)兩級薄膜雙極(ji)射(she)頻(pin)放大(da)器和具有0至(zhi)5伏直流控(kong)制的(de)PIN二(er)極(ji)管的(de)組合。這種設計(ji)使得AGC-330能夠(gou)實現(xian)超過36 dB的(de)增益變化。電(dian)阻反饋確保(bao)了(le)在不同(tong)溫度下的(de)穩定增益,并且通過使用(yong)旁路電(dian)容器和扼流圈來對偏置輸入電(dian)壓進(jin)行射(she)頻(pin)保(bao)護。該放大(da)器封(feng)裝(zhuang)在TO-3密封(feng)封(feng)裝(zhuang)中。

以下是AGC-330的主要特性:
- 幾率的范圍:5至300 MHz- 單包二極管封裝- 寬AGC領域:36 dB(舉例值)- 22 dB的收獲(主要值)AGC-330的主要應用包括:
- 開環或反饋控制增益控制控制- 發送機內容輸出增益調控調控- 渦街流量計效果調平把控這一些形態和應用領域促使AGC-330在寬泛的rf射頻光電模式中擁有首要的效果,隨后通信平臺主設備、雷達探測模式等。| Maximum Ratings | |
| Parameter | Maximum |
| DC Voltage | +17 Volts |
| Continuous RF Input Power | +13 dBm |
| Operating Case Temperature | -55 to +125℃ |
| Storage Temperature | -62 to +150℃ |
| “R”Series Burn-In Temperature | +125°℃ |
| Thermal Characteristicsl | |
| θ?c | 105/105°C/W |
| Active Transistor Power Dissipation | 105/180 mW |
| Junction Temperature Above Case Temperature | 11/19°℃ |
| Weight:(typical)14.5 grams | |
東莞 市(shi)立維創展科學技術(shu)是Teledyne防務電(dian)子設備(bei)的經售商,展示 Teledyne防務光電(dian)子產品涉及LDMOS、GaN、GaAs和InP。Teledyne防務電(dian)子元器件護膚品線的支持寬(kuan)幀(zhen)率段(duan)、窄帶、電(dian)磁變小器,幀(zhen)率1MHz~220GHz,額定(ding)功率mW~10kW,其優勢(shi)分(fen)銷渠道帶來Teledyne防務網上購貨,喜愛資訊。
祥情清楚Teledyne防務(wu)智(zhi)能電子請點(dian)擊(ji)事件(jian)://dev.www.gyzhkj.com/brand/46.html