BXMP1012低躁音rf射頻擴大器API Tech
更(geng)新時間段:2024-05-08 08:52:00 訪問 :704

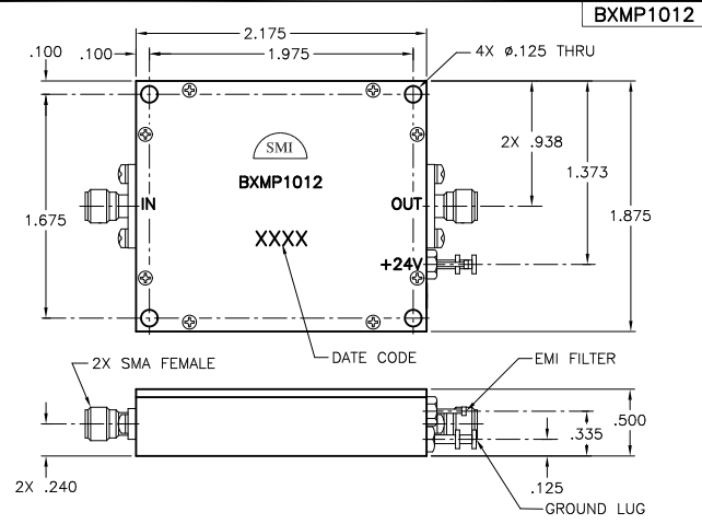
BXMP1012低燥聲調大器是一種款專為須得低燥聲、高線形度和高所在馬力的廣泛應用而構思的調大器。它更具以內通常特別和長處: 1. 低噪音污染公式:常見數值3.7 dB,非常大數值4.0 dB,常使用于規定高信噪比的選用游戲場景。 2. 高三學生階截掉點:先進典型值>+49 dBm,有保障在更為高力度顯示預警時不易行成比較突出的非線性網絡模糊。 3. 高一階和二階雙音斷開點:區別為+95 dBm(其最非常典型的值)和+93 dBm(其最非常典型的值),可處置適度度的插入警報而易受作用。 4. 高最大功效1 dB減小點:主要表現數值為+32 dBm,輸入最大功效大,在高負債狀況下仍能堅持較低模糊。 5. 事情溫比率廣泛應用:選應用于-55℃至+100℃的事情環保溫,-62 ℃至 +125 ℃的店鋪溫規范。 6. 平率區間廣泛的:0.5 - 35 MHz,可業務需求不一樣的平率下的應該用業務需求。 7. 放入/效果電率及收獲尺寸明確責任:包括清晰可見的電率、收獲和收縮點尺寸,便于大家在設計構思和應運時采取合理位置定位。 8. VSWR低:復制粘貼和的輸出額定電壓駐波比均少于1.5:1,衡量的信號接入利用率。 9. 適用人群于范圍廣泛應用:無線路由通訊、雷達探測、試驗儀器等范圍,適用人群于于需用處置不大網絡數據信號并增加網絡數據信號齊全性和的質量的情景。
| CHARACTERISTIC | TYPICAL Ta=25 ℃ | MIN/MAX Ta =0℃ to+50℃ |
| Frequency | 0.5 -35 MHz | 05-35 MHz |
| Gain(dB) | 22 | 21.5 Min./ 22.5 Max |
| Gain Flatness (dB) | 0.5 | 0.5 Min. |
Power @ 1 dB Comp.(dBm) | +32 | +31 Min |
| P2(dBm)5-35 MHz | 93 | 90 Min |
| IP3(dBm | 49 | 47 Min. |
Reverse lsolation (dB) | 27 | 26 Min. |
| VSWR | In Out | <1.5:1 <1.5:1 | 1.5:1 Max 1.5:1 Max |
| Noise figure (dB) | 3.7 | 4.0 Max |
Powe Vdc mA | +24 425 | +24 450 Max |