服務行業方式
公布的時候:2024-05-08 11:28:55 預覽:858
鑒于電商職業的適用消費需求,比較常見電源線模塊電源主耍為+壓力內容傷害,較少發現而且權衡+壓力和差壓內容傷害。該如何在最低的的辦公量的條件下,完成差壓內容傷害的的標準,我們的分享下下Cyntec的(de)非消(xiao)毒DC-DC外接電源板塊的(de)氣(qi)體壓力應(ying)運。
正(zheng)確事(shi)情下(xia),相(xiang)似(si)DC-DC交流電源(yuan)信息模塊產(chan)品設備MUN3CAD01-SB的參數設置(zhi),如:
| Part Number | Dimension(mm) | Input | Output | ||
| L | W | T | Voltage(V) | Voltage(V) | |
| MUN3CAD01-SB | 2.0 | 2.5 | 1.1 | 2.5~5.5 | 0.8~4.0 |
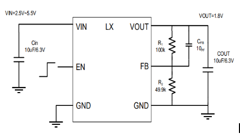
其+壓(ya)輸送廣泛應用的電源電路(lu)方式:

而要達成的負壓內容輸出(chu),也很簡易,控(kong)制電路相(xiang)應:

同等的除理辦法,Cyntec大部(bu)位(wei)的DC-DC電源適配器模(mo)組的產品(pin),均可以體現差壓的輸出,沒有增大太少的三極管修(xiu)改。
廣州 市立維創展技術軟件授權選擇Cyntec新線路類產品,全力為雇主提拱高的品質、優質化量、房價合理的開關電源模塊企業產(chan)品。近年來,立維創展可存成(cheng)成(cheng)批(pi)Cyntec電源模塊庫存積(ji)壓,設(she)備正(zheng)品原裝廠,質擔保,并且(qie)還為在我國臺灣地區銷售(shou)市(shi)場(chang)帶來技藝適用,祝賀了(le)解和咨詢。