服務業房產資訊
正式發布時長:2024-05-16 09:15:52 網頁瀏覽(lan):814
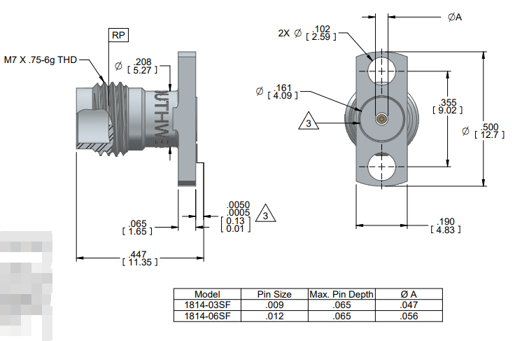
SOUTHWEST華南微波射頻 1814-06SF系列是(shi)一款專(zhuan)為(wei)高頻(pin)(pin)應用(yong)(yong)(yong)設計(ji)的(de)(de)1.85mm(V)插孔(kong)(kong)連接(jie)器(qi),具(ju)有(you)2孔(kong)(kong)法蘭(lan)安裝(zhuang)配置。該連接(jie)器(qi)為(wei)母(mu)頭設計(ji),能(neng)夠接(jie)受(shou)直徑為(wei)0.012英(ying)(ying)寸的(de)(de)公插針,并提供氣密密封功能(neng),確保在高頻(pin)(pin)應用(yong)(yong)(yong)中的(de)(de)性(xing)能(neng)穩定。它支(zhi)持18GHz、27GHz、36GHz、40GHz、50GHz和(he)(he)67GHz的(de)(de)頻(pin)(pin)率范圍,適用(yong)(yong)(yong)于微波通信、雷達系統和(he)(he)測試測量設備等高頻(pin)(pin)應用(yong)(yong)(yong)場景。連接(jie)器(qi)采(cai)用(yong)(yong)(yong)2孔(kong)(kong)法蘭(lan)安裝(zhuang)方式,法蘭(lan)尺寸為(wei)0.500英(ying)(ying)寸長,孔(kong)(kong)直徑為(wei)0.102英(ying)(ying)寸,使用(yong)(yong)(yong)T-291-5型孔(kong)(kong)刀具(ju)和(he)(he)T-212-15型焊料工具(ju)進行安裝(zhuang)和(he)(he)焊接(jie)。


長沙市立維創展現代科技收獲SOUTHWEST中南徽(hui)波大區域(yu)尺寸給予現貨黃金護(hu)膚品,并幫助到(dao)給予枝術(shu)不支持(chi)與售后網點(dian)的(de)(de)服務的(de)(de)。
信息詢問SOUTHWEST東南徽波請點://dev.www.gyzhkj.com/brand/7.html