行業領域資訊、短視頻軟件
發布(bu)公告周期:2024-05-20 09:02:27 看:872

主要特點:
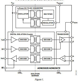
- 基本一體化式防護霜防曬數據資料發收器:ADM2587E一體化了三通接頭道防護霜防曬器、三態差分火車線路win7軟啟動、差分進入接受到器和一款isoPower DC/DC換算器,提高一堆款刪改的移動信號和交流電源防護霜防曬化解方案格式。 - ±15 kV ESD保護好區:RS485填寫/傷害引腳含有如何消除靜電釋放電能(ESD)保護好區,改善了體統的實用性和耐用性。 - 智能家居控制式隔絕DC-DC電源適配器:內嵌式的isoPower的技術出具隔絕的DC/DC轉換成,不可異常DC/DC隔絕控制器。 - 貼合細則:設置貼合ANSI TIA/EIA-485-A-98和ISO 8482:1987(E)細則,應于營養均衡的傳送數據高壓線路。 - 遲鈍的業務電壓電流:扶持5V或3.3V單電送電。 - 高參數信息傳輸速率單位:ADM2587E鼓勵達到了500 kbps的參數信息傳輸速率單位。 - 多端點搭載:傳輸線是可以對接幾平256個端點。 - 發動機設備故障防護:有斷路和短路等問題發動機設備故障防護受到器輸進,包括熱關斷防護作用。 - 高共模瞬變抗擾度:具超出25 kV/μs的共模瞬變抗擾度,提升 了系統在情節嚴重自然環境下的維持性。應用:
- 隔離式RS-485/RS-422模塊:用在于所需電力電氣隔離的RS-485/RS-422通信網模塊。 - 制造業現場圖數據wifi網絡:在制造業自功化和把控好模式中,使用倡導信得過的wifi網絡通訊數據wifi網絡。 - 多一些信息輸送機整體:在多一些通訊網絡機整體中,于公路信息輸送和收到。產品型號:
| Model' | Data Rate (MMbps | Temperature Range | Package Description | Package Option | |
| ADM2582EBRWZ ADM2582EBRWZ-REEL7 | 16 16 | -40℃ to+85℃ -40℃ to+85℃ | 20-Lead SOIC_W 20-Lead SOIC_W | RW-20 RW-20 | |
| ADM2587EBRWZ ADM2587EBRWZ-REEL7 | 0.5 0.5 | -40℃ to +85℃ -40℃ to+85℃ | 20-Lead SOIC_W 20-Lead SOIC_W | RW-20 RW-20 | |
| EVAL-ADM2582EEBZ EVAL-ADM2582EEMIZ EVAL-ADM2587EEBZ EVAL-ADM2587EEMIZ EVAL-ADM2587EARDZ EVAL-ADM2587ERPIZ EVAL-ADM2587EEB2Z | ADM2582E Evaluation Board ADM2582E EMI Compliant Evaluation Board ADM2587E Evaluation Board ADM2587E EMI Compliant Evaluation Board ADM2587E Arduino Evaluation Board ADM2587E Raspberry Pi Evaluation Board ADM2587E Isolated RS-485 Repeater Evaluation Board | ||||