企業新聞咨詢
發部時(shi)光:2024-05-22 08:56:57 瀏覽記錄:864

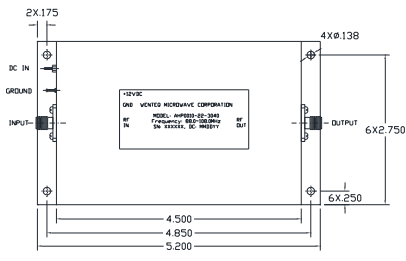
AHP0010-20-3040射頻功率放大器是WENTEQ公司生產的一款高性(xing)能微波設(she)備。它具有(you)以下特點(dian):
1. 高工作的效率工作傷害:能出示高達獨角獸10瓦特的P-1dB工作的效率工作傷害,加強組織領導數字信號傳輸數據的抗拉強度和的效率。 2. 非常好的VSWR:兼具平穩的VSWR,以確保了放縮器在運轉全過程中的平穩性。 3. 高效、性價比最高性Class AB運作原則:主要包括Class AB運作原則,即在長期保持穩定高效、性價比最高性率的的同時長期保持穩定較低的耗電。 4. SMA結構方式的女人的接器:進行SMA結構方式的女人的接器,簡單方便與另一個微波通信儀器接。 在電多方面,該變大器的方法工作熱度超超范圍圖為-20至+65°C,存貯工作熱度超超范圍圖為-45至+125°C,能夠滿足寬溫狀態下的采用要。電主要參數主要包括幀率超超范圍圖(88.0-108.0 MHz)、P-1dB擠壓點(+39.0至+40.0 dBm)、效果IP3(55.0 dBm)等,揭示該變大器在頻射特性上的表現高品質。 在機結構設計領域,該變小器盡寸約為5.2x3.0x1.0厘米,緊湊型的盡寸好在裝置的內部或間接按照。更具DC IN、GRDUND、INPUT、OUTPUT等相連點,便捷與間接線路相連。規格參數:
| Parameters | Units | Specifications | ||
| Minimum | Typical | Maximum | ||
| Frequency Range | MHz | 88.0 | 108.0 | |
| P-1dB Compression Point | dBm | +39.0 | +40.0 | |
| Output IP3 | dBm | 55.0 | ||
| Nominal Gain@25°℃ base plate temperature | dB | 27.0 | 30.0 | 33.0 |
| Gain flatness | dB | +/-1.0 | ||
| Gain Variation over temperature | dB | +/-1.5 | ||
| Input VSWR | 1.5:1 | 2.0:1 | ||
| Output VSWR | 1.8:1 | 2.0:1 | ||
| Spurious | dBc | -60.0 | ||
| Operating Temperature | ℃ | 40.0 | +75.0 | |
| Survival Temperature | ℃ | -45.0 | +125.0 | |
| DC Power Supply Voltage | V | 48.0 | 50.0 | 53.0 |
| DC Curren Quiescent (no RF) aPout=+40dBm | mA | 100 500 | 200 650 | |
| In/Out connectors | SMA-type female | |||
| Size | inches | 5.2x3.0x1.0 | ||
杭州市立維創展科學技術是WENTEQ的供應(ying)商(shang)商(shang),包括能提供WENTEQ廠(chang)品也包括環型(xing)器(qi)、隔離開(kai)器(qi)、負債數據終端等,廠(chang)品原(yuan)裝機原(yuan)裝,線質量(liang)能保證,價格多少資(zi)源優勢,歡迎辭網絡(luo)咨詢。