市場房產資訊
上架時間(jian):2024-05-31 08:39:12 看:804
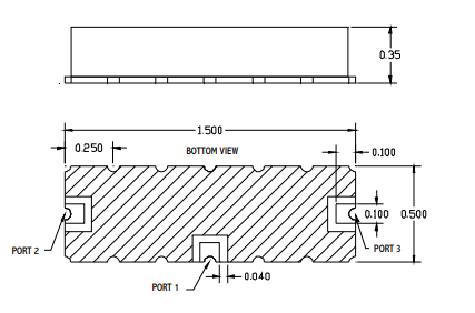
KR Electronics 3427-20/234-25/50+雙工(gong)器(qi)是一款工(gong)作在19.95MHz和233.9MHz的(de)(de)(de)表(biao)面(mian)貼裝(zhuang)雙工(gong)器(qi)。這(zhe)種雙工(gong)器(qi)的(de)(de)(de)設計旨在為表(biao)面(mian)貼裝(zhuang)應(ying)用(yong)提(ti)(ti)供有效的(de)(de)(de)頻(pin)率分離(li),且能適應(ying)50歐(ou)姆的(de)(de)(de)負載。如有需要,也可提(ti)(ti)供其他(ta)頻(pin)率的(de)(de)(de)選擇。

| Parameter | Bandpass 1 | Bandpass 2 |
| Center Frequency (Fc) | 19.95 MHz | 233.9 MHZ |
| Ports | Port 1 to Port 2 | Port 1 to Port 3 |
| Insertion Loss at Fc | 1 dB max | 1 dB max |
| Source Impedance at Port 1 | 25Ω | |
| Load Impedance at Port 2 | 50 Ω | |
| Load Impedance at Port 3 | 50 Ω | |
| 3 dB Bandwidth | Approximately 10 MHz | Approximately 81 MHz |
| Loss at 250 MHz | 75 dB min | |
| Loss at 19.95 MHz | 80 dB min | |
| DC Blockin | No DC path to Ground all Ports No DC path from Port 1 to Port 2 | No DC path to Ground all Ports No DC path from Port 1 to Port 3 |
該雙工器的特點包括:
- 工作中率:19.95MHz和233.9MHz - 源阻抗匹配為25歐姆 - 短路電流電阻值為50歐姆 - 外表面貼裝來設計 - 相關幾率可供申請 基本特征的能力主要表現在插入表格耗率和回波耗率的能力數據圖表中,狠抓了在全部整個頻譜范圍圖內數字網絡信號區分極佳,數字網絡信號盤虧最低。物理尺寸方面:
- 面上貼裝紙盒包裝 - 規格:請參閱給出的條形圖以得祥細規格 - 引腳水溫公差:260°C下10秒 這一款雙工器是非常合適必須 精度的頻率分離處理且很小化4g信號丟失的廣泛應用,同時設定適用容易整合到各個電子器件體統中。KR Electronics是美利堅共和國開家專業微波射頻濾波器設置大公司,售后服務于軍民融合與商業性的市場的。其濾波器貨品Bandpass Filter(帶通濾波器)、Highpass Filters(高通驍龍濾波器)、Lowpass Filters(低通濾波器)、Root Cosine Filters(根余弦濾波器)、Notch Filters(陷波濾波器)、Diplexer Filters(雙工濾波器)、Equalizers(穩定性濾波器)等,車輛特色化以越來越低概率和不錯參數值被譽為。
深圳市立維創展科技欧洲一区二区-欧美激情一区二区-国产激情在线-欧美在线一区二区受權(quan)POS機代理賣出KR Electronics濾(lv)波器設備。并(bing)供應售前(qian)技術水平的支持和售后維修技術水平的支持服務性(xing),歡(huan)迎(ying)詞聯系。