17500-4015S SSBP多同軸Micro-D低壓電纜電源線插頭長電絕緣子SOUTHWEST
公布日子:2024-06-04 08:56:02 打開網頁(ye):895
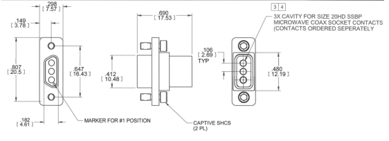
型號17500-4015S SSBP多同軸Micro-D電纜插頭長絕緣子是由SOUTHWEST西北微波射頻制(zhi)造的一款高性能連接(jie)器(qi)組(zu)件。該插頭(tou)專為(wei)Micro-D連接(jie)器(qi)系(xi)統設計,適用于高密(mi)度、多通(tong)道的應用場景,尤(you)其是(shi)在對(dui)頻率(lv)、帶寬和信號損耗有嚴格要求的通(tong)信環境(jing)中表現出色。

素材和從單單從外觀正確整理的方面,該插口的護殼主要通過鋁金屬6061素材,并假設用ASTM B221準則做好加工整理,從單單從外觀經無電解法鎳涂層正確整理,遵循ASTM
B733-90準則,以資料耐灼傷性和結實耐用性。耐壓子主要通過ULTEM 1000素材,遵循ASTM
D5205準則,具備有優異的的組合件耐壓的功能方面和耐高溫的功能方面。定位夾主要通過BeCu金屬(UNS-C17200),假設用ASTM
B194準則制造廠,為了確保插口與插排的牢靠對其進行連接。填補單質為丙稀酸不飽和樹脂,于養護里面格局和資料一體化的功能方面。裝設電腦硬件主要通過冷庫保溫隔熱板的表層素材,遵循SAE-AMS-QQ-S-763準則,從單單從外觀做好鈍化正確整理,遵循ASTM
A967準則,以資料抗灼傷功能。 該插口的特別也包括四個同軸插孔,專為SSBP(Shielded Single Bayonet
Plug)裝修設計,每個SSBP和表現接點開關皆是可讀取表格和可移除的,方便快捷運營和換個,采用規范規定M81969/39-01讀取表格/撥出來用具就可以了控制。家用墻壁插座接點開關與MIL-C-39029/64規范規定的表現家用墻壁插座接點開關兼容,確保安全生產了優質的互相交換性和兼容。長寬高和斜度基層基層單位主要為厘米和度數,括號內的長寬高以厘米為基層基層單位,方便快捷移動用戶選澤有差異 意愿做好選澤和裝設。

成都 市立維創展科持賦予SOUTHWEST華北微波射(she)頻大那部分(fen)型號規(gui)格給予(yu)現貨交易新(xin)產品,并幫助到給予(yu)技能可以與售后維修提供服務。
商品詳情頁掌握SOUTHWEST華南徽波請單擊://dev.www.gyzhkj.com/brand/7.html