制造行業報告、短視頻軟件
發(fa)布了時候:2024-06-06 08:51:27 搜素:779

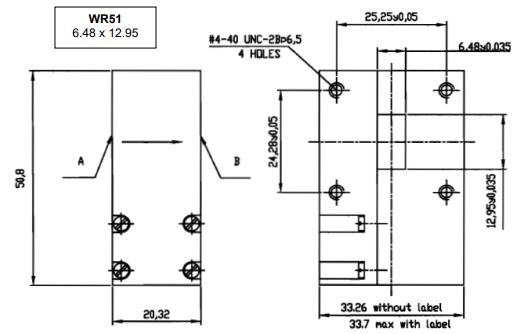
RADI-20-22-WR51-5WR波導隔離器是RADITEK一款高(gao)(gao)精度(du)的(de)(de)射頻設備(bei)(bei),屬于(yu)WR51波(bo)導系列(lie),有15-17 GHz、17.5-20.5 GHz、17.7-22.2 GHz等多個頻率(lv)范圍(wei)。該隔(ge)離器(qi)具有低插(cha)入(ru)損耗(最大(da)0.3 dB至(zhi)0.4 dB)、高(gao)(gao)隔(ge)離度(du)(最小18 dB至(zhi)20 dB)和良(liang)好的(de)(de)電壓駐波(bo)比(最大(da)1.25至(zhi)1.30),確保了高(gao)(gao)效(xiao)的(de)(de)信號傳輸(shu)和隔(ge)離性能(neng)(neng)(neng)。它能(neng)(neng)(neng)處理(li)最大(da)10W的(de)(de)正向功(gong)率(lv)和承受0.5W的(de)(de)反向功(gong)率(lv)。物(wu)理(li)規格(ge)包括詳(xiang)細(xi)的(de)(de)尺寸信息和鋁材質,表面經過化學膜處理(li),增強了耐腐蝕性和耐用(yong)性。該設備(bei)(bei)能(neng)(neng)(neng)在(zai)-40°C至(zhi)+85°C的(de)(de)溫度(du)范圍(wei)內工作。
| Frequency | 15-17 | 17.5-20.5 | 17.7-22.2 | 20-22 | 20.2-21.2 | 20.2-21.2 | GHz |
| Insertion loss | 0.3 | 0.4/0.3 | 0.3 | 0.4 | 0.30 | 0.30 | dB max |
| lsolation | 20 | 20/18 | 18 | 18 | 20 | 20 | dB min |
| VSWR | 1.25 | 1.25/1.30 | 1.30 | 1.25 | 1.25 | 1.25 | :1 max |
| Waveguide | WR-51 | WR-51 | WR-51 | WR-51 | WR-51 | WR-51 | |
| Flange | UBR-140 | UBR-140 | UBR-140 | UBR-140 | UBR-140 | UBR-140 | |
| Materia | Aluminum | Aluminum | Aluminum | Aluminum | Aluminum | Aluminum | |
| Finish | Chemical Film | Chemical Film | Chemical Film | Chemical Film | Chemical Film | Chemical Film | |
| Power Forward | 1 | 2 | 1 | 10 | 1 | 1 | Watts |
| Power Load | 1 | 0.5 | 1 | 5 | 0.5 | 1 | Watts |
| Operating Temp | 40 to +85 | -30 to +70/ +15 to +35 | -30to +70 | 30 to +70 | 30 to +65 | 30 to +65 | ℃ |
南京市立維創展高新科技授權文件一級代理RADITEK徽波(bo)隔絕器和圓形器成(cheng)品,個部分機型常備(bei)外盤。成(cheng)品原(yuan)放國外進口國外進口,水(shui)平能保證,歡迎詞在線咨詢(xun)。