業內知識
頒(ban)布時光:2024-06-12 09:07:03 瀏覽(lan)記錄:837
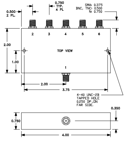
Synergy的DEK-701S是一款高性能的5路功率分配器,專為需要精確功率分配的應用而設計。該設備的關鍵特性包括寬頻帶、低損耗以及緊密控制的相位/幅度不平衡。其頻率范圍覆蓋了從0.05至30MHz,能夠(gou)滿(man)足多(duo)種(zhong)頻(pin)段的需求(qiu)。

在插入損耗方面,DEK-701S在不同頻段下的表現有所不同,從0.05至0.5MHz的頻段內,插入損耗的典型值為0.3dB,而在15至30MHz的頻段內,這一數值上升至0.6dB。隔離(li)度方面,設備在不(bu)同(tong)頻段下(xia)也提供了具體的典(dian)型(xing)值和(he)最小值,確(que)保了信號的清晰分離(li)。

相位不平衡量最大為4度,幅度不平衡量最大為0.3dB,這(zhe)些參數保證了功(gong)率(lv)分(fen)配的穩定性和(he)精(jing)確度。輸出(chu)阻抗為50Ohms,最大輸入功(gong)率(lv)為1瓦特,這(zhe)些規格使得(de)DEK-701S能夠(gou)適應多種(zhong)功(gong)率(lv)需求。操作(zuo)溫(wen)度范圍從(cong)-40至+85°C,這(zhe)意味(wei)著DEK-701S能夠(gou)在(zai)極(ji)端(duan)的溫(wen)度條件下(xia)穩定工作(zuo),適合(he)在(zai)各種(zhong)環境中的應用。連接器類型為SMA母(mu)頭,其中一個是輸入端(duan)口(kou),其余(yu)四(si)個為輸出(chu)端(duan)口(kou),方(fang)便與各種(zhong)設備連接。
規格參數:
| SPECIFICATIONS (Rev.B 08/30/06) | |||
| Frequency | 0.05-30 MHz | ||
| Insertion Loss (dB)* | Freq (MHz) | Typ. | Max |
| 0.05-0.5 | 0.5 | 0.9 | |
| 0.5-15 | 0.3 | 0.7 | |
| 15-30 | 0.6 | 1 | |
| lsolation (dB) | |||
| Freq (MHz) | Typ. | Min | |
| 0.05-0.5 | 25 | 20 | |
| 0.5-15 | 30 | 25 | |
| 15-30 | 25 | 20 | |
| Phase Unbalance(Deg.) | 4°(Max.) | ||
| Amplitude Unbalance (dB) | 0.3 (Max.) | ||
| Output Impedance | 50 Ohms (Nom.) | ||
| Input Power | 1 Watt (Max.) | ||
| Operating Temperature Range | 40 to +85°C | ||
| *In excess of the 7 dB theoretical split loss | |||
廣州市立維創展科技公司是Synergy的生產商(shang)商(shang),具體給予Synergy紅外光(guang)壓(ya)控自(zi)(zi)激振(zhen)動(dong)器、納米線自(zi)(zi)激振(zhen)動(dong)器、鎖相自(zi)(zi)激振(zhen)動(dong)器、鎖相環平率(lv)獲(huo)得(de)器、混頻器等(deng)車(che)輛,車(che)輛靠近加(jia)拿大中部的可以區域,快積(ji)極地響應在我國企(qi)業的需要。歡迎(ying)語了解和咨詢。