制造行業分析、短視頻軟件
發(fa)部(bu)日期:2024-06-12 09:21:24 搜素:6938
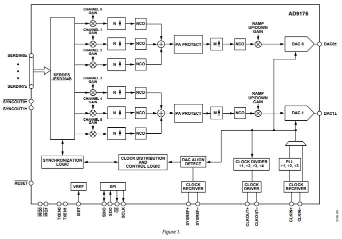
AD9176是ADI一款高(gao)性能(neng)的(de)雙通(tong)道16位數(shu)(shu)模轉換器(DAC),支持高(gao)達12.6 GSPS的(de)DAC采樣速率。它采用了8線15.4 Gbps JESD204B數(shu)(shu)據(ju)輸入端(duan)口,以(yi)及(ji)高(gao)性能(neng)的(de)片內DAC時鐘倍頻器和數(shu)(shu)字信號處理功能(neng),非常(chang)適合于單(dan)頻段(duan)和多頻段(duan)直接到射(she)頻(RF)無(wu)線應用。
| Model' | Temperature Range | Package Description | Package Optio | |
| AD9176BBPZ AD9176BBPZRL AD9176-FMC-EBZ | -40℃to+85℃ -40℃ to+85℃ | 144-Ball Ball Grid Array,Thermally Enhanced [BGA_ED 144-Ball Ball Grid Array,Thermally Enhanced [BGA_ED] Evaluation Board | BP-144-1 BP-144-1 | |

深圳市立維創展科技是ADI的(de)(de)銷售商。ADI單(dan)片機芯片車輛(liang)設(she)(she)備的(de)(de)的(de)(de)供給:增加器、非線性(xing)車輛(liang)設(she)(she)備的(de)(de)的(de)(de)、數據統計轉(zhuan)為器、音視頻車輛(liang)設(she)(she)備的(de)(de)的(de)(de)、光(guang)(guang)纖(xian)線線寬帶(dai)車輛(liang)設(she)(she)備的(de)(de)的(de)(de)、鬧(nao)鐘(zhong)和(he)時控IC、光(guang)(guang)纖(xian)線線和(he)光(guang)(guang)纖(xian)線線通信系(xi)統車輛(liang)設(she)(she)備的(de)(de)的(de)(de)、模(mo)塊和(he)距離、MEMS和(he)調節(jie)器器、電和(he)熱經(jing)管(guan)、治(zhi)理器和(he)DSP、微波射頻和(he)圖像(xiang)治(zhi)理器、按鈕和(he)分(fen)路器等。
大部(bu)門企業產(chan)品,均展示 現貨交易(yi)庫存積壓要貨。*部(bu)門應用需伸請出來經營 ,感謝(xie)資(zi)詢!!!
上一篇: 高速模數轉換器ADC時鐘極性與啟動時間
下一篇: AD3542R數模轉換器(DAC)ADI