業內資訊、短視頻軟件
上架(jia)的(de)時間:2024-07-15 08:59:06 搜(sou)素(su):6012
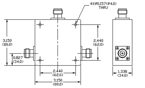
在無線通信和射頻工程領域,選擇合適的組件對于確保系統的高效運行至關重要。WENTEQ F2519-0280-29-N10大功(gong)率(lv)同軸射頻環行器正(zheng)是這樣(yang)一款專為滿足(zu)高(gao)要求應(ying)用(yong)(yong)而設(she)計的(de)先進設(she)備。本文將詳細介(jie)紹其(qi)關(guan)鍵特性、電(dian)氣規格及其(qi)在(zai)實際應(ying)用(yong)(yong)中的(de)優勢。

| Part No | Freq Range MHz | Insertion Loss,dB | Reverse Isolation dB | VSWR | Forward Power Watts | Temp Range,℃ |
| F2519-0262-29-N10 | 225~300 | 0.6 Max | 18 | 1.35 | 250 | 0~+85 |
| F2519-0280-29-N10 | 240-320 | 0.5 Max | 18 | 1.35 | 250 | 0~+85 |
| F2519-0280-29-S01 | 240~320 | 0.5 Max | 20 | 1.25 | 50 | -40~+85 |
主要特點包括:
寬頻點服務器帶寬:支持軟件225-300 MHz和240-320 MHz等很多頻段。 銜接器頁面設置:帶來了N型或SMA母頭銜接器,有助集成化。 低嵌入自然損耗:最好不以上0.6 dB,事關表現科學規范網絡傳輸。 高單向隔離開:大約18 dB,優化軟件系統功效。 高工作工作效率解決:使用超過250 Watts,適用范圍包括于大工作工作效率動畫場景。 比較穩定的耐耗用:約990克,加強組織領導儀器比較穩定的性。電氣規格:
這車環行器是微波射頻市政機械工程師和無線網絡溝通專家團隊的很好確定,選用做許多高標準環境。
成都市立維創展科技產業是WENTEQ的代(dai)理(li)商(shang)商(shang),其主要能提(ti)供WENTEQ產品(pin)具有馬蹄形器、隔離開(kai)器、負載電阻(zu)終端門店(dian)等,產品(pin)原廠進出口,的質量衡量,價額優勢與(yu)劣勢,迎接服務(wu)咨詢。