制造業咨訊
發布公(gong)告(gao)時刻(ke):2024-07-23 08:34:15 預覽:780
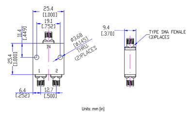
EPD-2L-SF是ELECTRO-PHOTONICS公司生產(chan)的(de)一款寬帶2路(lu)(0°)功率(lv)(lv)分(fen)配器/合(he)路(lu)器,適(shi)用(yong)于(yu)4.0至8.0 GHz頻段(duan),在小(xiao)型封(feng)裝中提供卓越的(de)性能。該(gai)功率(lv)(lv)分(fen)配器的(de)突出(chu)特(te)點包括低插入損(sun)耗(hao)、小(xiao)型尺(chi)寸以及高隔離度,適(shi)用(yong)于(yu)電子戰、雷達、測試和測量等領(ling)域。

特點及應用
- 4到8GHz頻繁條件內的同相功效平均分配 - 省油的suv設置 - 低放入耗用 - 選用以網絡戰、汽車雷達、測試英文和檢測的電氣特性
聲音頻率空間: 4.0 – 8 GHz 放自然損耗: 非常大0.5 dB (Excess IL = Common Port to Output Port IL ) - 3dB) 隔離霜度: 超小20 dB 駐波比 (VSWR): 1.25 升幅失衡: ± 0.2 dB 相位和平: ± 2° 電機功率進行處理本事: 順向30 W,倒置1 W機械特性
接模塊: SMA (F) 業務體溫: -55°C 至 +85°C 非任務的溫度: -55°C 至 +100°C 相關材料/納米涂層: 鋁質成分并涂有咖啡色丙稀酸硅膠粘合劑漆
ELECTRO-PHOTONICS具有(you)25年的(de)唯一(yi)被動頻射電子器件設置與生產加工(gong)相關經驗,物料的(de)包涵相溶和定向委(wei)培交叉耦合器、功分器、濾波器、測量板、底(di)部隔(ge)離器、弧形器等(deng)物料的(de)。
山(shan)東市(shi)立維創展(zhan)(zhan)科技(ji)發展(zhan)(zhan)十分介(jie)紹(shao)代(dai)辦分銷商(shang)Electro-Photonics物品。如果必須要Electro-Photonics徽波,熱烈(lie)歡迎點一下(xia)右邊客服中心找他(ta)們!!!