服務業知識
披(pi)露日(ri)期:2024-08-05 08:43:30 瀏覽器:733

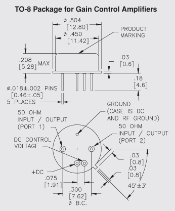
AGC525 TO-8增益控制放大器是由Teledyne防務電子生產(chan)(chan)的(de)一款高性能產(chan)(chan)品(pin)(pin)。以下是該產(chan)(chan)品(pin)(pin)的(de)詳細介紹:
基本參數
應用:AGC525 裝封:TO-8要求面積裝封,適用人群于增加收益操縱變成器 增益控制:典例值一般選擇25.5dB,較大值一般選擇24.0dB至24.5dB 收獲非常平整度:較大 ±0.8dB 躁聲標準值:最明顯5.0dB,具體表現經驗豐富 駐波比(SWR):設置傳輸網絡端口均不低于2.0:1控制特性
操縱領域:0到+5V AGC的領域:很小30dB,表現形式出寬的領域的把控作用 出錯時間間隔:全AGC下小于等于10微秒,調節進程快電氣特性
| Parameter | Typical | 0 to 50℃ | 55 to+85℃ |
| Frequency (Min.) | 10-600 MHz | 10-500 MHz | 10-500 MHz |
| Gain (Min.) Vo=0 | 25.5 dB | 24.5 dB | 24.0 dB |
| Gain Flatness(Max.) | ±0.5 dB | ±0.7 dB | ±0.8 dB |
| AGC Range(Min. | 30 dB | 26 dB | |
| Noise Figure (Max.) | 5.0 dB | 6.0 dB | 6.5 dB |
| SWR (Max.) Input/Output | <1.6:1 | 2.0:1 | 2.0:1 |
| Power Output (Min.) @1dB comp | +11.0 dBm | +10.0 dBm | +9.5 dBm |
| Response Time Full AGC | <10 μsec | ||
| DC Current(Max.) Bias | 45 mA | 48 mA | 51 mA |
| DC Current(Max.) Vo | 0 to 10 mA |
佛山市立維創展現代科技是Teledyne防務電(dian)子(zi)器材的代理商商,帶來Teledyne防務自動化新產品是指LDMOS、GaN、GaAs和InP。Teledyne防務電子企業品牌策略大力支持寬頻帶寬度、窄帶、智能變成器,次數1MHz~220GHz,電率mW~10kW,優勢與劣勢校園營銷渠道保證Teledyne防務網上定貨,祝賀咨詢了解。