業介紹
推送日(ri)子:2024-08-07 08:58:58 瀏覽訪問:780

EPD-4L-SF功分器是由ELECTRO-PHOTONICS公司(si)生產(chan)的(de)一(yi)款高性(xing)能(neng)、寬頻帶的(de)4路功率分配器/組合器。該產(chan)品的(de)主要特點和(he)規(gui)格如下:
主要特點
方問性: 0° 頻帶寬度條件: 4.0 GHz到8 GHz 最多傳輸公率: 30W 高穩定性: 作為低插入圖耗率、高消毒度、低駐波比(VSWR)和不錯的震幅及相位平橫。 寬敞型suv長寬比: 設計的寬敞型suv,更方便在比較有限的空間內裝置和使用的。性能規格
| PARAMETER | SPECIFICATION |
| FREQUENCY RANGE | 4.0-8 GHz |
| EXCESS INSERTIONLOSS* | 0.8dB |
| ISOLATION | 18 dB |
| VSWR | 1.3 |
| AMPLITUDE BALANCE | ±0.3 dB |
| PHASE BALANCE | ±3° |
| POWER HANDLING | Forward:30W |
| Reverse:1W |
應用領域
機械規格
| PARAMETER | SPECIFICATION |
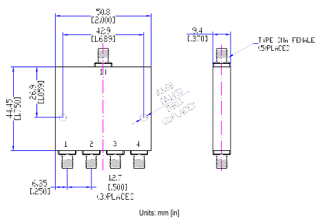
| MATING INTERFACE | SMA(F) |
| OPERATINGTEMP | -55 TO+85℃ |
| NON-OPERATINGTEMP | -55 TO+100 ℃ |
| MATERIAL/FINISH | Aluminum with black epoxy |
| resin paint |
尺寸圖:

ELECTRO-PHOTONICS獲得25年的(de)閃避(bi)頻射構件(jian)來設計與制作業生產(chan)經驗(yan),護(hu)膚品(pin)歸屬于交織和定向招生交叉(cha)耦合器(qi)、功分器(qi)、濾波(bo)器(qi)、各(ge)種測(ce)試板、隔(ge)開(kai)器(qi)、環型器(qi)等(deng)護(hu)膚品(pin)。
長沙市立(li)維創展網絡限制(zhi)我司代銷(xiao)商分銷(xiao)模式Electro-Photonics企業產(chan)品。倘(tang)若需求Electro-Photonics微波加(jia)熱(re),受(shou)歡迎(ying)點擊進(jin)入(ru)一側客(ke)戶服務找人們!!!