餐飲行業咨訊
上(shang)傳用時:2024-08-15 09:08:06 瀏覽訪問:782
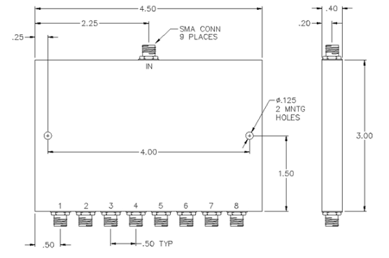
PULSAR功(gong)率分(fen)配(pei)器PS8-02-454/1S是一款高性能(neng)的(de)8路(lu)SMA功(gong)分(fen)器,專(zhuan)為0.85至1.7GHz的(de)頻率范(fan)圍設計。該設備能(neng)夠將輸入(ru)信號均勻分(fen)配(pei)到(dao)8個輸出端口(kou),適用于(yu)多種無線通信和(he)雷(lei)達系(xi)統。

主要特點:
概率標準:0.85-1.7 GHz 放入耗用:最高0.8dB,事關的信號傳遞高成本低,耗用低。 防護:較小20dB,管用抑制各效果網絡端口兩者的電磁波串擾。 振動幅度平穩:最大的0.4dB, 保障各輸出精度端口設置的信號燈剛度不一樣。 相位發展:最好5°,事關電磁波相位的相同性。 駐波比:極限1.30:1,SEO走勢光反射,上升系統穩判定性。 搜索效率:最主要30W,適合于高效率運用。 聯接器多種類型:SMA系例,大量兼容各樣設配。 阻抗VSWR:額定輸出額定功率下遠遠高于1.20:1,更進一步驟加快表現品質。 規格:4.50" x 3.00" x 0.40"
佛山市立維創展信息技術授權管理代理費銷量PULSAR徽波產品的(de),并作為售后(hou)維修點(dian)適配業(ye)務,熱(re)烈歡(huan)迎(ying)了解。