行業中房產資訊
頒布(bu)日期:2024-08-15 09:14:48 網(wang)頁瀏覽:6079

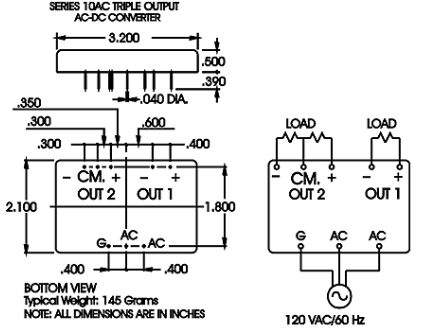
10AC12T5是一款三路輸出的AC-DC電源模塊,由PICO公司生(sheng)產。這款(kuan)電源模塊具有以下特點(dian)和(he)技術參數(shu):
1. 輸入電壓范圍:
90-130VAC (47-440Hz) 先選:170-240VAC (47-440Hz)2. 環境條件:
寬本職工作水溫區域:-55°C至+85°C 路過高溫度及脫落軟件測試:-55°C至+125°C3. 型號與規格:
型號規格:10AC12T5 主模擬輸出電阻:5 VDC 主要短路交流電交流電:1400 mA 最多轉換最大功率:7 W 電壓降載荷控制領域:25%-100%載荷,±0.5% 傷害直流電壓紋波(1.1 MHz速率下):50 mV峰頂值4. 輔助輸出電壓和電流:
輔助制作傷害相電壓1:±12 VDC 上限負載電阻交流電1:125 mA 最多讀取工作電壓1:1.5W 導出交流電壓紋波1(1.1 MHz上行寬帶下):50 mV峰閥值 協助輸入輸出交流電壓2:±12 VDC 大額定負載電壓2:50 mA 上限打出功效2:1.2W 輸出精度電阻紋波2(1.1 MHz傳輸速率下):50 mV峰峰峰值5. 效率:
在高速行駛情況下下,成功率為77% 此電源線引擎實用做尖酸刻薄的軍品標準的及航空工業app,可在嚴峻區域下能信運動。軟件特質比如寬鍵入電流線電壓空間、相對穩定的輸出電流線電壓、低紋波嘈音及高質量率。深圳市立維創展科技是PICO裝修公(gong)司的(de)(de)分銷模(mo)式(shi)商。提供了(le)進口量PICO電(dian)(dian)(dian)(dian)(dian)(dian)包塊(kuai)、軍工(gong)(gong)用電(dian)(dian)(dian)(dian)(dian)(dian)包塊(kuai)、高壓(ya)(ya)力(li)電(dian)(dian)(dian)(dian)(dian)(dian)包塊(kuai)、大(da)中型箱(xiang)式(shi)變(bian)(bian)(bian)壓(ya)(ya)器(qi)(qi)(qi)(qi)、MIL-PRF-21038/27的(de)(de)規格(ge)干式(shi)電(dian)(dian)(dian)(dian)(dian)(dian)力(li)變(bian)(bian)(bian)壓(ya)(ya)器(qi)(qi)(qi)(qi)、脈沖造成的(de)(de)干式(shi)電(dian)(dian)(dian)(dian)(dian)(dian)力(li)變(bian)(bian)(bian)壓(ya)(ya)器(qi)(qi)(qi)(qi)、400 MHz電(dian)(dian)(dian)(dian)(dian)(dian)力(li)能源(yuan)配電(dian)(dian)(dian)(dian)(dian)(dian)變(bian)(bian)(bian)壓(ya)(ya)器(qi)(qi)(qi)(qi)、MIL-STD-1553接(jie)口類型電(dian)(dian)(dian)(dian)(dian)(dian)抗(kang)器(qi)(qi)(qi)(qi)、語音(yin)電(dian)(dian)(dian)(dian)(dian)(dian)抗(kang)器(qi)(qi)(qi)(qi)、工(gong)(gong)率(lv)電(dian)(dian)(dian)(dian)(dian)(dian)感(gan)、微(wei)工(gong)(gong)率(lv)電(dian)(dian)(dian)(dian)(dian)(dian)感(gan)、EMI電(dian)(dian)(dian)(dian)(dian)(dian)感(gan)、薄DC-直(zhi)流(liu)變(bian)(bian)(bian)壓(ya)(ya)器(qi)(qi)(qi)(qi)外接(jie)電(dian)(dian)(dian)(dian)(dian)(dian)源(yuan)模(mo)快(kuai)、軍工(gong)(gong)用DC-DC開關電(dian)(dian)(dian)(dian)(dian)(dian)源(yuan)版塊(kuai)、磚(zhuan)塊(kuai)DC-DC電(dian)(dian)(dian)(dian)(dian)(dian)電(dian)(dian)(dian)(dian)(dian)(dian)源(yuan)模(mo)塊(kuai)、直(zhi)流(liu)電(dian)(dian)(dian)(dian)(dian)(dian)DC-DC、AC-DC交(jiao)(jiao)流(liu)電(dian)(dian)(dian)(dian)(dian)(dian)壓(ya)(ya)線引擎(qing)、旋(xuan)鈕交(jiao)(jiao)流(liu)電(dian)(dian)(dian)(dian)(dian)(dian)交(jiao)(jiao)流(liu)電(dian)(dian)(dian)(dian)(dian)(dian)壓(ya)(ya)線引擎(qing)、防護交(jiao)(jiao)流(liu)電(dian)(dian)(dian)(dian)(dian)(dian)壓(ya)(ya)線引擎(qing)、國際航(hang)空交(jiao)(jiao)流(liu)電(dian)(dian)(dian)(dian)(dian)(dian)壓(ya)(ya)線引擎(qing)等基本(ben)功能交(jiao)(jiao)流(liu)電(dian)(dian)(dian)(dian)(dian)(dian)壓(ya)(ya)線引擎(qing)和(he)電(dian)(dian)(dian)(dian)(dian)(dian)機功率(lv)轉化器(qi)(qi)(qi)(qi)。原版車(che)輛(liang)進囗的(de)(de),的(de)(de)品質 保障,歡迎語資(zi)訊(xun)。