服務業快訊
發布公(gong)告(gao)期限:2024-08-16 09:15:00 瀏覽器:794
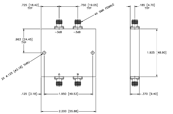
HJ-13混合耦合器是MCLI一款工(gong)作在7.2至8.5 GHz頻率范圍的(de)設備,具(ju)有以下特(te)點:
- 要進行隔離能為16dB,有效果可以減少移動信號液化氣泄漏。 - 交流電壓駐波之比1.50:1,表示法積極的數據一致。 - 比較大進到這一領域自然損耗為0.6dB,數據信息能量轉換損失費小。 - 相位平衡性在±4度元,事關手機信號清理的準確無誤性。 一款交叉耦合器應用在對數字信號澄澈性和平穩性規定較高的微波加熱通迅軟件。
廣州 市立維創展社會有效科技欧洲一区二区-欧美激情一区二区-国产激情在线-欧美在线一区二区,授權使用代理商推廣MCLI車輛(liang),歡迎大(da)家消費者了解。