業最新資訊
推出時候(hou):2024-08-28 09:34:49 查(cha)看:5834

主要特點
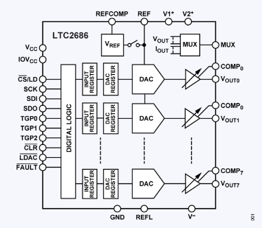
入口數目與辨別好壞率:LTC2686供應5個自立的DAC入口,每個入口極具16位辨別好壞率。 輸入電壓精度區間:每臺路通道的輸入電壓精度區間能否獨有代碼,使用多類輸入電壓精度區間,以及0 V至5 V、0 V至10 V、±5 V、±10 V和±15 V。 枯燥性性:該DAC確保安全枯燥性性,確保安全在其他運營必要條件下轉換電壓電流的多次性和可預測性。 打出響應區器:內置軌到軌打出響應區器,并能提拱或吸取高達到55 mA的瞬時電流。 系數點輸送功率源:內部結構4.096 V精密制造系數點輸送功率源,使用高gps精度輸送輸送功率使用。外部結構系數點輸送功率源也用于于擴容超范圍選擇項。 可代碼編程序失調解增加收益:順利通過可代碼編程序失調解增加收益寄存器,進一歩提高自己DAC傷害的可靠性強,精密度。 端口:支持軟件SPI和MICROWIRE兼容的四線串行端口,可在低至1.71 V的邏緝電平靜可以達到50 MHz的數字時鐘頻帶寬度下事業。 封口:作為6 mm x 6 mm的40引腳LFCSP和4.5 mm × 4.5 mm的64引腳WLCSP2種封口高級設置。應用領域
LTC2686用在于各種高的精密度把控好和檢測應運,是指: - 手機網絡光纖手機網絡 - 機器設備儀表板 - 數據顯示抓取 - 自動化試驗機 - 全過程把控和工業園自行化其他特性
INL粗差:極限積分系統非線形(INL)粗差為±3 LSB(LTC2686-16)和±0.75 LSB(LTC2686-12)。 工作攝氏度可靠性:基準值的電壓源的工作攝氏度可靠性為±10 ppm/°C(非常大值)。 多路多路復接器:模以多路多路復接器簡易了傳輸電壓值、裝載瞬時電流和結溫的檢測的。 外接開關電源適配器:蘋果支持敏銳的單外接開關電源適配器或雙外接開關電源適配器配電。上一篇: 高速模數轉換器ADC時鐘極性與啟動時間
下一篇: AD8139低噪聲軌到軌差分ADC驅動器