企業內容
頒布日(ri)子:2024-09-27 08:42:11 打開(kai)網頁:5398

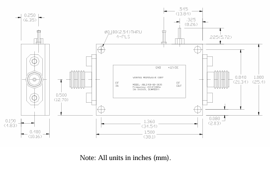
ABL2400-01-3025是由溫特(WENTEQ)公(gong)司生產的(de)寬帶低噪(zao)聲(sheng)放(fang)大器,具(ju)有以下特點和(he)電氣規(gui)格:
特點
帶寬、低的噪音:適用人群于從0.1 GHz到24.0 GHz的寬速度區域,給予低的噪音功能。 低VSWR,無標準可靠:在各項負載電阻標準下維持可靠。 小長寬高、低總成本:方案緊奏型,經濟實用實用。 K型無線防水聯接器RF I/O:進入的輸出采取K型微波射頻無線防水聯接器。 單交流電源線配電:運行一兩個整流交流電源線能夠工做。 事情體溫範圍:-40至+85°C,貯存體溫範圍:-55至+125°C。電氣規格
工作頻率區域:0.1 GHz至24.0 GHz 標稱收獲:25.0 dB至34.0 dB(一般值30.0 dB)噪聲系數:
- 0.1-4.0 GHz:3.5 dB至5.5 dB - 4.0-20.0 GHz:2.5 dB至4.0 dB - 20.0-24.0 GHz:3.0 dB至4.5 dBP-1dB壓縮點:
- 0.1-19.0 GHz:20.0 dBm至23.0 dBm - 19.0-24.0 GHz:18.0 dBm至21.0 dBm 過剩工作輸出瓦數 Psat:20.0 dBm至24.0 dBm 轉換IP3:23.0 dBm至30.0 dBm 收獲比較平整度:±1.5 dB至±2.0 dB 環境溫度范疇內增益值轉變 :±2.0 dB 倒置隔離度:50.0 dB 放入VSWR:1.7:1至2.5:1 輸出精度VSWR:1.7:1至2.5:1 鄰道液化氣泄漏比:-60.0 dBc 運行溫暖:-40.0 ℃至+85.0 ℃ 殺滅溫度表:-45.0 ℃至+125.0 ℃ 直流電電源適配器輸電電流值:+12.0 V至+15.0 V 穩壓電源適配器電源適配器花費交流電:300.0 mA至350.0 mA(經典值250.0 mA) 尺寸大小:1.50x1.0x0.40寸大 ABL2400-01-3025圖像運放電路主要是因為寬頻率標準、低燥聲耐熱性及積極的可靠性,可用做多種類rf射頻與紅外光機系統中的應用,如無線通信、預警雷達和光學抗擊等行業領域。蘇州市立維創展科枝是WENTEQ的供應商商,主耍提拱WENTEQ服務涉及環(huan)型器、隔絕器、環(huan)境下(xia)移(yi)動(dong)終端等,服務原裝機德國(guo),安全性能確定,價格(ge)優質,歡迎大家咨(zi)詢中(zhong)心。