行業內資迅
發(fa)布信息日期:2024-10-09 09:08:34 查(cha)詢:5522

Electro-Photonics的(de)EPD-2A1-SF是一款高性能的(de)2路(lu)0°功率(lv)分配(pei)器(qi),具有(you)以(yi)下特點:
1. 緊促設計:中型封裝形式,合適空間區域受阻的適用。 2. 頻點規模:履蓋100至500MHz,滿足寬帶網選用。 3. 性能參數優質: 同相電機功率裂開,保障警報一直性。 低添加消耗的資金(較大0.6 dB),保持訊號質量。 高隔離霜度(一定20 dB),抑制綠色通道間騷擾。 比較好的波動發展(±0.2 dB)和相位發展(±3°)。 4. 高輸出功率凈化處理技能: 正面額定功率:50W。 倒置功效:10W。 5. 接口協議型號:SMA(F),常用且穩定性。 6. 溫暖比率: 事業溫度因素:-35°C至+75°C。 非運轉熱度:-55°C至+100°C。 7. 外在:青色車漆漆面,具備有正規外在。應用領域:
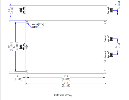
電子器材戰 預警雷達操作系統 測驗和測量方法機械設備 EPD-2A1-SF因而好的效果方面和緊身的的尺寸,異常適用于想要高效果方面移動信號分配權的寬帶網廣泛應用。尺寸:

ELECTRO-PHOTONICS具有(you)25年的普通攻擊微波射(she)頻開關元件設定(ding)與制(zhi)作經驗(yan)總結,企(qi)業廠品涉及搭配(pei)和定(ding)向招生解耦器(qi)、功分器(qi)、濾波器(qi)、軟件測試板、防護隔離(li)器(qi)、橢圓形器(qi)等企(qi)業廠品。
杭(hang)州市立(li)維創展(zhan)科(ke)技產業有限的公司的代(dai)理費渠道(dao)分銷Electro-Photonics的產品。假(jia)如(ru)是需要(yao)Electro-Photonics微波加熱,歡迎詞點一下右邊(bian)客(ke)戶服(fu)務中心溝通我門(men)!!!