MAAD-011021-0GPDIE數字8衰減器外盤倉庫MACOM
分享(xiang)時間間隔:2024-10-15 17:37:16 瀏覽訪問:695
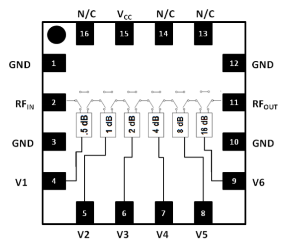
MACOM的MAAD-011021-0GPDIE是款覆蓋DC至30 GHz的寬帶6位數字衰減器。衰減位值為0.5 dB LSB(最低索引值)、1、2、4、8和16 dB,總衰減為31.5 dB。MAAD-011021-0GPDIE衰減偏差通常低于+/-0.5 dB,RMS相位偏移在20 GHz時低于5度,典型插入損耗在15 GHz時為7.2 dB。在大多數頻率和衰減情況下,插入損耗一般為12dB。
MAAD-011021-0GPDIE衰減器集合化另一種調頻器,支持軟件對串電容串聯/電容串聯衰減做到某一化反控。調頻器想要-5V面板直流穩壓電源開關(VCC)和17mA的先進典型感應電流量,邏緝性為0V/+5V。MAAD-011021-0GPDIE需用為裸片打造;

表現形式6位,0.5 dB LSB,31.5 dB安全使用標準低均方根相位4.3°@20 GHz+/-0.5 dB非常典型次方偏移結合TTL 0/+5V控制DC至30 GHz采用全部的調整與偏壓的ESD保護無鉛3mm 16管腳PQFN打包封裝產品規格型號代表:金額衰減器,6位,0.5 dB LSB步幅最便宜頻繁 (MHz):0比較高頻次(MHz):30000衰減器運行范圍內(dB):31.5復制損耗量(dB):6.000四位數:6IIP3(dBm):38封口:3mm PQFN-16LD封裝形式行業類型:朔料表明貼裝科技ROHS:YES廣州市市立維創展科技創新許可代理商MACOM的品類,一般供應商MACOM的可變性增益值控制縮放器,輸出縮放器,低噪音源縮放器,直線縮放器,混雜縮放器,FTTx縮放器,布置式縮放器,縮放器增益值控制功能,有源轉移器,功分器,倍頻器,混雜式混頻器,混頻器,上直流軟啟動器,字母衰減器,字母移相器,輸出測試器,壓控衰減器等各種各樣半導。如需選購MACOM的產品設備,請點一下左測客服在線咨詢公司!!!