餐飲行業內容
推(tui)出精力:2024-10-23 16:59:39 觀(guan)看:589
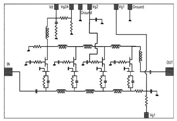
UMS的CHA3023-99F是款適(shi)用共源共柵(zha)FET的導(dao)波放小器。為廣(guang)運用業務需求開發。
CHA3023-99F運用(yong)0.25μm柵極尺寸規格的(de)pHEMT工藝設計科(ke)技,給出(chu)橫穿柔性板的(de)孔主氣橋,且以裸片形勢(shi)提(ti)拱。

核心本質特征
寬(kuan)帶網(wang)性:1-18GHz
14dB增益控制值
3dB基本特征(zheng)低相位(wei)噪音
0.7dB增益控制值整平度好(hao)度
封裝類型厚度:2.15 X 1.42 X 0.10mm
成都市立維創(chuang)展科技創(chuang)新(xin)有效總部(bu)(bu)權限生產商UMS微波射頻,對於部(bu)(bu)位形號的UMS物料設(she)備(bei)提供了(le)質(zhi)量上乘的現貨平(ping)臺(tai)物料設(she)備(bei)庫存量,歡迎詞咨詢(xun)中心。
AMPLIFIER – MPA| Reference | RF Bandwidth (GHz) | Gain | IP3 | P-1dB OUT | Sat. Output Power | Bias | Bias | Case | |||||||||||
| min | max | ||||||||||||||||||
| CHA3023-99F | 1 | 18 | 14 | - | 17 | - | 95 | 5 | Die | ||||||||||