制造行業新聞資訊
上線用(yong)時:2024-10-23 17:02:25 觀看:597
Synergy的KSFLOD12800-12-1280極低噪音鎖相轉型器是種高可以信賴性的的頻率轉變成搞定計劃,致力于打造于以及研究方向關聯技術應用需求量設汁。KSFLOD12800-12-1280選取極低嗓聲比率?和REL-PRO?發明權能力,為航空工業企業工程項目飲水機工業企業、就是聯通手機網絡、工控設備智能化、醫療衛生儀器設備、網絡深入分析等提供數據精確的頻點操縱。

特征英文:
異常處理燥音指數
Ku頻譜源
里面安全控制
小打包封裝
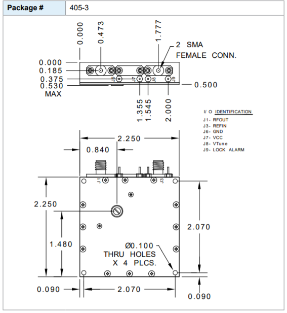
主要參數
率(lv)(Fo)12.8 GHz
輸出耗油率(lv)≥+10dBm
分類輸人(ren)幀率1280 MHz
參(can)考使用鍵入電平(ping)+9至+13 dBm
24v電源(yuan)輸出功率(lv)Vcc(Vdc)Icc(最多mA)+12500
諧(xie)波(2*Fo)27 dB(最高值)
次諧(xie)波(3*Fo)37 dB(面積最小值)
效果(guo)雜散75 dB(世界上最大值)
基準頻(pin)帶寬度1 70 dB(面值最小(xiao)值)
輸送環(huan)境下(xia)阻抗匹(pi)配50Ω(標(biao)稱(cheng))
典(dian)型性(xing)噪音分(fen)貝標準值
偏移(yi)量低頻(pin)噪音(yin)標(biao)準值
@1 kHz-114 dBc/Hz@10 kHz-122 dBc/Hz@100khz-123dB/HZ@1MHz-138dB/HZ@10MHz-158dB/HZ市場定(ding)位(wei)查重顯現燈CMOS高(位(wei)置),CMOS低(定(ding)位(wei)系統)
工作溫
利用范圍(wei)之內-20至+50°C
放置(zhi)熱(re)度用(yong)條件-40至+85°C
東(dong)莞(guan)市立維創展高新科技是(shi)Synergy的生產商(shang)商(shang),重要(yao)保證Synergy微波(bo)通信(xin)壓(ya)控諧振器、結晶諧振器、鎖相(xiang)諧振器、鎖相(xiang)環頻點制作而成器、混(hun)頻器等類車輛(liang),類車輛(liang)坐落(luo)在澳大利亞北邊(bian)的會(hui)管(guan)道,飛(fei)速運(yun)行國玩家的實(shi)際需求(qiu)。追捧詢問。