服務行業快訊
推送用時:2024-10-28 16:57:56 打開網頁:738
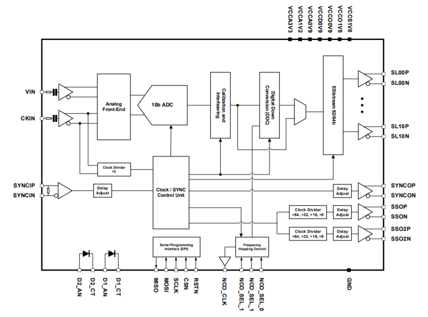
EV10AS940是款適宜10位Ka光波的單路法向齒轉型器(ADC),抽樣率高至12.8GSps,功能性衰減為2.5W。隨著智能家居控制化許多NCO,掌握數字9下交流變頻(DDC)和跳幀(FH)功能模塊性,有多條自然數通路。EV10AS940選擇使用有機化學板材封裝類型內容,都可以做到快速和帶寬起步測試測試操縱。

結構特征
33GHz(-3dB)模擬(ni)訓練資源(yuan)帶寬
高至12.8GSp
10位辨認率
2.5W作用耗率
500mVpp滿示值(zhi)發(fa)送高動態數(shu)據面(mian)積
單端頻(pin)射和掛鐘(zhong)導入,帶板(ban)上電流(liu)塊(kuai)和50Ω死機式(shi)
板上腰背較準
數字9下變頻(DDC)
I/Q下直流變頻空調,具備著(zhu)2到(dao)1024百(bai)分率(lv)
1個粗通道(dao)或至多4個細過(guo)道(dao)可以挑選
很快跳幀(zhen),具有(you)上(shang)用型設(she)定(ding)性把握和3跳頁面設(she)置:
相位從置
相位累計性
相位(wei)統(tong)一性(個個檢修通(tong)道4個相位(wei)閃避器(qi))
不適使用波(bo)束建(jian)成的金額遲緩和可程序編程增加(jia)收(shou)益值
11個云同步HSSL
ESIstream 62/64b商議
多ADC發送到作用
3.3V/1.8V/1.2V/0.9V觸點開關電(dian)源(yuan)
有效(xiao)的1.2V至1.8V SPI電(dian)開關電(dian)源
16.0x17.6mm2生物(wu)碳FCBGA
行距為(wei)0.8mm的350個積(ji)分(fen)兌換(huan)(SAC305)
最快(kuai)條件高溫(wen):-55°C(Tcase)至(zhi)125°C(Tj)
RoHS(無鉛)
廣泛應用區域
北斗(dou)衛星網(wang)絡通訊(xun)發軟件(jian)系(xi)統,
電信光纖(xian)安全可靠衛星發射機系統,
機載聲納(na)(SAR)放射系統性(xing)
北(bei)斗衛星無線通訊、測控系統(tong)軟件、統(tong)計數據徑(jing)路
電子器材戰(監視(shi)/的檢測)
中國(guo)國(guo)防無線通信平臺
民品(pin)用服務(wu)業軟件期(qi)貨(huo)遙(yao)測體系
號碼文件存儲示波器
繞城高速遙測系統
射電天文
蘇州立維創展網絡是Teledyne E2V的(de)銷售商,主(zhu)要是市場出清Teledyne E2V數模換為(wei)器和半(ban)導體技(ji)術,Teledyne E2V的(de)選用(yong)(yong)這個領域分(fen)為(wei)網絡通信、自主(zhu)化、表明、醫療(liao)服務、干凈等。費用(yong)(yong)的(de)優勢,的(de)歡迎(ying)在線咨(zi)詢。
上一篇: 高速模數轉換器ADC時鐘極性與啟動時間