行業內房產資訊
頒布時期:2024-11-04 17:01:59 查看:697
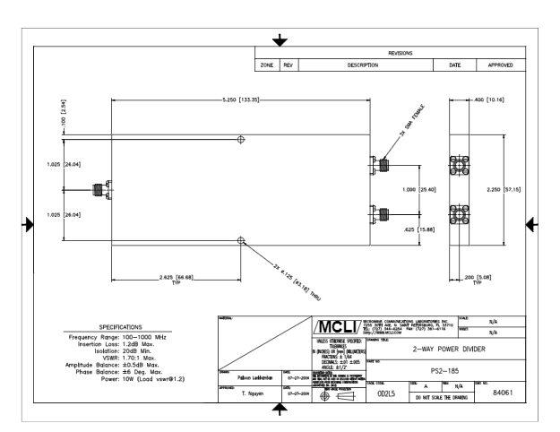
MCLI遵循高耐用性的PS2-185帶狀線2路電壓分發器,包括出眾的的規格主要參數,應有光纖線網絡帶寬工作頻率區間、高隔絕、低放入耗損率、低VSWR、低工率和高工率處理好方案設計.PS2-185帶狀線2路交流電源分派器能否確認有差異質材的結構,如帶狀線、微帶和集總電子元器件途徑來可代替于各項要和APP。

本質特征
離心分體式:雙邊
連接方(fang)式器:SMA母頭
很(hen)低(di)聲音頻率(lv)範圍(GHz):0.1
較高速率依據(ju)(GHz):1
插(cha)入圖消耗(dB):1.2
消毒度(du)(dB):20
駐波(bo)比:1.70:1
駐波比輸入輸出(chu):1.70:1
震幅失衡:0.5
相位均衡性:6
峰(feng)(feng)峰(feng)(feng)值功效(W):10
北(bei)京(jing)市立維(wei)創(chuang)展科技(ji)工(gong)司是有限的(de)(de)工(gong)司產(chan)(chan)品商權產(chan)(chan)品商產(chan)(chan)品MCLI設備,MCLI故有便捷高效能的(de)(de)加(jia)工(gong)過程和原涂料(liao)料(liao)庫存(cun)盤(pan)點勝(sheng)機,才可以控制(zhi)便捷產(chan)(chan)生和制(zhi)作(zuo)業。MCLI合(he)乎(hu)ISO 9001:2000安全認證要求,并借助(zhu)了MIL-I-45208和MIL-Q-9858A審(shen)核。的(de)(de)歡迎了解。