市場新聞資訊
更新時:2024-11-05 17:41:59 查詢(xun):816
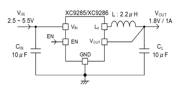
XC9285系列產品是TOREX電(dian)源適配器的的一款嵌入(ru)P銑面驅動(dong)程(cheng)序FET和N激光(guang)切割端面驅動(dong)軟(ruan)件(jian)FET的1.0A同(tong)時進(jin)行整流減壓DC/DC變換器。
XC9285外接電(dian)(dian)源直(zhi)流(liu)電(dian)(dian)壓可能在 0.8V 至 3.6V 范圍以上(shang)以上(shang)以 0.05V 行間距對其進行相對應設計方案。僅有的表(biao)面器是電(dian)(dian)感電(dian)(dian)磁線圈和電(dian)(dian)容(電(dian)(dian)貯(zhu)槽)器。
HiSAT-COT設定高速路瞬態(tai)崩潰方法可(ke)在額定負載波動(dong)前三天(tian)將電(dian)源線(xian)電(dian)壓電(dian)流降(jiang)成最(zui)便宜,非(fei)常(chang)非(fei)常(chang)適合FPGA或必須(xu)要(yao) 開關(guan)電(dian)源電(dian)阻可(ke)靠的(de)性的(de)機 等瞬時(shi)根據變(bian)化(hua)規律很大的(de)的(de)技術(shu)使用(yong)。
給出(chu)應該用,還可以完成(cheng) SOT-25 和 USP-6C 選定擇二極管封裝表現形(xing)式。

顯著特點
錄入電阻值(zhi):2.5V ~ 5.5V
電(dian)原相電(dian)壓時間范圍(wei):0.8V~ 3.6V (±2.0%)
傳輸感應(ying)電(dian)流:1.0A
率規模(mo):1.2MHz
率高率:92%
直流電損(sun)耗率:15μA
操縱方(fang)案:HiSAT-COT調整
保護區設施:熱封
用途性:軟開始
投入傷(shang)害(hai)電感:兼容瓷質(zhi)電感
操作(zuo)區域(yu)環境熱度:-40℃ ~ 105℃
鄭州市立(li)維創展(zhan)科學(xue)較少品牌優越性代銷TOREX供電集成電路芯片(pian),非常多的(de)現(xian)貨(huo)平(ping)臺(tai)銷量,認可(ke)質詢。
產品型號 | 類行 | 輸出精度額定電壓 | 崗位的頻率 | 裝封 |
| XC9285A08CMR-G | 無(wu)CL釋放電能,無(wu)出現短(duan)路保養 | 0.8V | 1.2MHz | SOT-25 |
| XC9285A0LCMR-G | 無(wu)CL充放,無(wu)漏(lou)電自我保護 | 0.85V | 1.2MHz | SOT-25 |
| XC9285A09CMR-G | 無CL發出電,無短路(lu)等問題保護區 | 0.9V | 1.2MHz | SOT-25 |
| XC9285A0MCMR-G | 無CL蓄電(dian)池充電(dian),無短(duan)路(lu)等問題(ti)養護 | 0.95V | 1.2MHz | SOT-25 |
| XC9285A10CMR-G | 無CL蓄電(dian)池充電(dian),無虛(xu)接保護的 | 1V | 1.2MHz | SOT-25 |
| XC9285A1ACMR-G | 無CL自放(fang)電,無出(chu)現短路(lu)保護區 | 1.05V | 1.2MHz | SOT-25 |
| XC9285A11CMR-G | 無CL發(fa)出電,無虛接庇護 | 1.1V | 1.2MHz | SOT-25 |
| XC9285A1BCMR-G | 無CL尖端放電(dian),無不導通防護 | 1.15V | 1.2MHz | SOT-25 |
| XC9285A12CMR-G | 無(wu)CL自放電,無(wu)發生故障保護區 | 1.2V | 1.2MHz | SOT-25 |
| XC9285A1CCMR-G | 無(wu)CL蓄電池充電,無(wu)不(bu)導通保護區 | 1.25V | 1.2MHz | SOT-25 |
| XC9285A13CMR-G | 無CL發出電,無串電防護 | 1.3V | 1.2MHz | SOT-25 |
| XC9285A1DCMR-G | 無(wu)(wu)CL尖端(duan)放電,無(wu)(wu)發生故障愛護 | 1.35V | 1.2MHz | SOT-25 |
| XC9285A14CMR-G | 無(wu)CL蓄(xu)電池充電,無(wu)不導通(tong)保護 | 1.4V | 1.2MHz | SOT-25 |
| XC9285A1ECMR-G | 無(wu)CL擊穿,無(wu)串電維護 | 1.45V | 1.2MHz | SOT-25 |
| XC9285A15CMR-G | 無CL擊穿,無出現短路保(bao)護區 | 1.5V | 1.2MHz | SOT-25 |
| XC9285A1FCMR-G | 無CL尖端放(fang)電,無漏電保障(zhang) | 1.55V | 1.2MHz | SOT-25 |
| XC9285A16CMR-G | 無CL蓄電池充電,無不(bu)導通(tong)保證 | 1.6V | 1.2MHz | SOT-25 |
| XC9285A1HCMR-G | 無CL發出電,無過壓保護(hu)區(qu) | 1.65V | 1.2MHz | SOT-25 |
| XC9285A17CMR-G | 無CL發出電,無斷路保養(yang) | 1.7V | 1.2MHz | SOT-25 |
| XC9285A1KCMR-G | 無CL釋放電(dian)能(neng),無不導(dao)通庇護 | 1.75V | 1.2MHz | SOT-25 |
| XC9285A1LCMR-G | 無CL電(dian)流,無漏(lou)電(dian)養護 | 1.85V | 1.2MHz | SOT-25 |
| XC9285A19CMR-G | 無CL充放(fang),無擊穿庇護(hu) | 1.9V | 1.2MHz | SOT-25 |
| XC9285A1MCMR-G | 無(wu)CL電(dian)流,無(wu)出現短路保障(zhang) | 1.95V | 1.2MHz | SOT-25 |
| XC9285A20CMR-G | 無CL充放電(dian),無擊穿保養(yang) | 2V | 1.2MHz | SOT-25 |