服務業資訊、短視頻軟件
推送的時(shi)間(jian):2024-11-13 17:32:14 閱(yue)讀:853
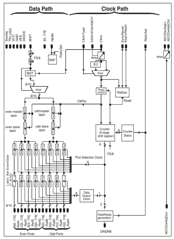
TS81102G0FS是E2V的兩款片式10位髙速(高至1.5Gsps)多路分用器。DMUX平常采用和各方面ADC并且事情,富有體地說,TS81102G0FS與e2v髙速ADC 8位1Gsps TS8388B、ADC 10位2Gsps TS83102G0B更好配適。
TS81102G0FS常用 有效充(chong)分的開展的架(jia)構(gou)部(bu)署,還包括延緩操作(zuo)與可控(kong)式輸出電壓電平。
TS81102G0FS就可以讓我(wo)們將髙速工作輸出數(shu)據顯示(shi)流設定到的標準化數(shu)據信號(hao)加工器數(shu)率(的標準化FPGA)

主耍顯著特點
可(ke)代碼DMUX平均水平:
-1:4數值波特率(lv)極限=750 Msps
-PD(8b/10b)<4.3/4.7W(ECL 50輸送)
-1:8數據文件(jian)速度高達=1.5Gsps
-PD(8b/10b)<6/6.9W(ECL 50工作(zuo)輸出)
-1:16,帶1個(ge)TS8388B或1個(ge)TS83102GO和2個(ge)DMUX
串行輸送形式
8/10位
.ECL差分插入統計數據(ju)
.參(can)數需備或參(can)數需備/2復制(zhi)粘貼鐘(zhong)表
.發送鐘表監測時間延遲(chi)改善(shan)
單端(duan)輸(shu)出(chu)的數據顯示:-能調(diao)式(shi)共模(mo)和(he)搖動-形式(shi)邏輯性(xing)閥值參閱模(mo)擬輸(shu)出(chu)
-ECL、PECL、TTL
.異步初始化
微信同步初始化
.ADC和DMUX多路通道技(ji)術(shu)設備用:用于ADC取樣及時居結合人(ren)格獨立推遲調節器(qi)版(ban)塊(kuai)
差考試分數據打算內容輸出
內置(zhi)自動檢查(cha)(BIST)
雙電原(yuan)VEE=-5V,Vcc=5V
·面(mian)向基(ji)層普(pu)及耐熱力(li)一體化(hua)開發(預(yu)計在(zai)超越100 Krad(Si))
熱資(zi)料CQFP196腔往上走二(er)極管封裝
篩分
做工作溫差:
-C級(ji):0C-V級(ji):-40℃-M級(ji):-55C·“C”、“V”和“M”級(ji)的標準定期檢查職別
·ESA SCC 9000“M”級(ji)范圍(wei)淘汰階段(duan)(會按(an)照耍求)
東莞 立維創展科技信息是Teledyne E2V的生(sheng)產商商,通(tong)常供給量Teledyne E2V數模變換器和半導,Teledyne E2V的用途前沿技術以及通(tong)信設(she)備(bei)、自然化、察覺、醫(yi)療(liao)管理、生(sheng)態(tai)環保等。價額的優勢(shi),熱烈歡迎在線咨詢(xun)。