制造業房產資訊
上線時期:2024-12-03 17:15:10 手機瀏覽:692
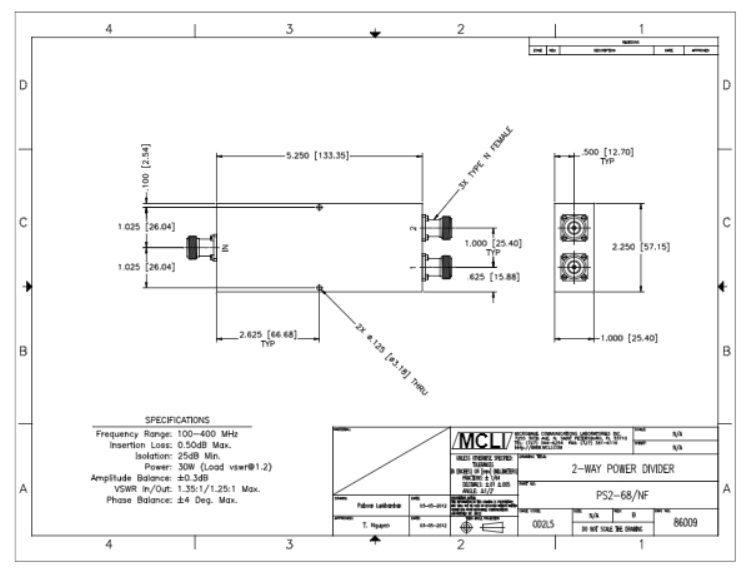
PS2-68/NF帶狀線2路開關電源分配權器械備優良的型號叁數,提高網絡數據光纖寬帶頻次面積、高隔絕、低放入消耗、低VSWR、超低頻高壓發生器率和高工作功率防止計劃書。PS2-68/NF帶狀線2路外接電源合理安排器能夠經由區別類形的結構特征,如帶狀線、微帶和集總附件行式來廣泛適用不適于使用需求和適用。

癥狀
分體式式:縱向
接入器:N母頭
最低的頻繁(fan) 超范圍(GHz):0.1
很(hen)高(gao)的頻率規(gui)模(GHz):0.4
放進去(qu)耗用(yong)(dB):0.5
分隔度(dB):25
駐波比:1.35:1
駐(zhu)波比(bi)輸(shu)入:1.25:1
震幅和平:0.3
相位動平衡機:4
基線公率(lv)(W):30
西安市立維(wei)創展科技有(you)限(xian)新公(gong)(gong)司英文新公(gong)(gong)司有(you)限(xian)新公(gong)(gong)司英文新公(gong)(gong)司品(pin)牌授權代賣出(chu)MCLI貨品(pin),MCLI以它(ta)更快(kuai)高效化的施工(gong)工(gong)藝和原料(liao)(liao)料(liao)(liao)庫存管理優劣(lie)勢,要保證(zheng) 更快(kuai)生產方式和制造出(chu)。MCLI合乎ISO 9001:2000審核(he)的標準,并(bing)實現了MIL-I-45208和MIL-Q-9858A申請認證(zheng)。祝賀服務咨詢。