制造行業信息資訊
推(tui)出(chu)期(qi)限:2024-12-04 17:07:06 訪(fang)問:682
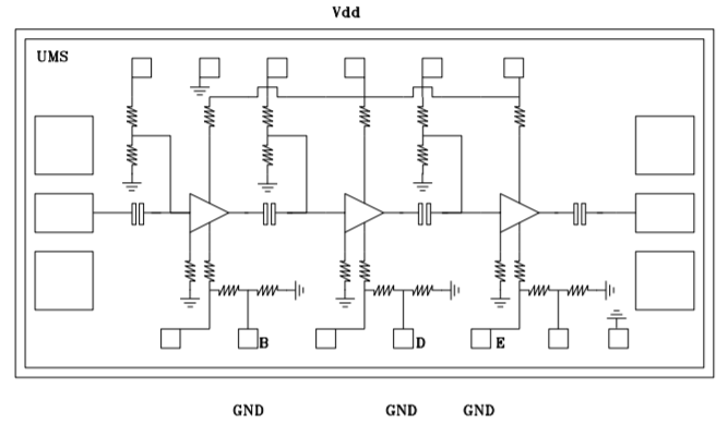
CHA2090-99F是款三級職業資格證書自偏置移動寬帶片式低嘈音調小器。
CHA2090-99F選擇標準(zhun)單位的(de)(de)0.25μm柵極盡寸pHEMT加工制作工藝 技(ji)術,會根據基本(ben)的(de)(de)材(cai)質材(cai)料上的(de)(de)孔、氣流橋和光電(dian)子束(shu)柵極夜刻技(ji)術。
CHA2090-99F以(yi)集成ic結構類型提供(gong)數據。
主要的結構特征
寬帶網特性17-24GHz
2.0dB相位噪聲源(yuan)
23dB收(shou)(shou)獲,±1dB收(shou)(shou)獲整潔度
低(di)電流系統衰減,55mA
二極管封裝(zhuang)規(gui)格(ge)尺寸(cun):2.17 x 1.27 x 0.1mm
杭(hang)州市(shi)立維創展科學技(ji)術(shu)比較有限機構授(shou)權書供應商UMS微波加熱,根據那部分型(xing)號規格的UMS企(qi)業產品出示(shi)質量上乘(cheng)的現貨黃金企(qi)業產品貨存,感謝服務(wu)咨詢。

| Reference | RF Bandwidth (GHz) | Gain | Gain Flatness | Noise Figure | P-1dB OUT | Bias | Bias | Case | |
| min | max | ||||||||
| CHA2090-99F | 17 | 24 | 23 | 1 | 2 | -10 | 55 | 4.5 | Die |