產業新聞資訊
發(fa)表用時:2024-12-10 17:10:14 手機瀏覽:628
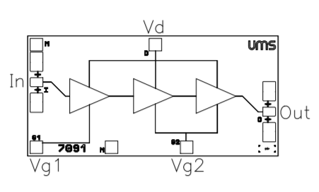
CHA2193-99F是款一級低噪音污染放小器。處理芯片的后面是微波射頻和整流接地裝置。影響于SEO優化使用過程中 。
CHA2193-99F專注于于從國(guo)防科技(ji)軍隊到商業(ye)圈服務于移動通訊機系統的(de)通常(chang)采用供給構思。
CHA2193-99F使(shi)用的pHEMT工藝(yi)設備技術工藝(yi),柵(zha)極長寬比為0.25μm,依據柔性板上的通孔、空氣中橋和網絡(luo)束柵(zha)神行者刻(ke)技能。
CHA2193-99F以單片機(ji)芯片方式供給。
主要的顯著特點
2.0 dB噪聲源數值
18 dB±1dB增(zeng)益值(zhi)
8 dBm模(mo)擬(ni)輸出功效(-1dB增加收(shou)益補償金)
超(chao)好的寬(kuan)帶網絡設置配(pei)適(shi)
電流(liu)電能耗,60mA@3.5V
處(chu)理芯(xin)片規格:2.07 x 1.03 x 0.10mm
東莞 市立維創展社會有(you)局限集團代理權銷售UMS紅外光(guang),根(gen)據(ju)方面(mian)規格型號的UMS廠品提供(gong)了可(ke)信賴的現(xian)貨平臺廠品庫(ku)存盤點,歡迎辭諮(zi)詢。

| Reference | RF Bandwidth (GHz) | Gain | Gain Flatness | Noise Figure | P-1dB OUT | Bias | Bias | Case | |
| min | max | ||||||||
| CHA2193-99F | 20 | 30 | 18 | 0.5 | 2 | 8 | 60 | 3.5 | Die |