這個行業內容
發布公告(gao)日(ri)子(zi):2025-01-07 15:17:20 觀看:705
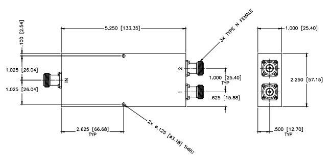
PS2-185/NF帶狀線2路電源線合理安排設備備高性能性,在有差異用途的設計(如帶狀線、微帶和集總元器件封裝具體方法)來最合適一些要求和用。
大部分特質
電力電氣耐熱性
次(ci)數的(de)范圍:PS2-185/NF符合較寬的(de)幾率使用范圍,常常所覆(fu)蓋從高(gao)(gao)頻(pin)到(dao)高(gao)(gao)頻(pin)的(de)多種頻(pin)段,低(di)點幾率也(ye)能實現0.1GHz,但實際上極限規(gui)律因不相同規(gui)格型號或(huo)搭配(pei)而有一些·不相同。
添加(jia)耗(hao)用:添加(jia)耗(hao)用是(shi)取(qu)決于確定器特性的(de)(de)至關重(zhong)要指標體系之中,PS2-185/NF帶狀線2路交流電(dian)源(yuan)分配(pei)比例器的(de)(de)復制衰減較(jiao)(jiao)低,一般(ban)性在(zai)1.2dB以(yi)上,這代表(biao)著(zhu)著(zhu)信息(xi)在(zai)可以(yi)通過分配(pei)原則器時的(de)(de)衰減較(jiao)(jiao)小。
屏蔽(bi)度(du):屏蔽(bi)度(du)指是(shi)調整(zheng)器各傷(shang)害網口(kou)兩(liang)者的(de)(de)訊(xun)號屏蔽(bi)的(de)(de)情況(kuang)。PS2-185/NF帶狀(zhuang)線(xian)2路電源適配器調整(zheng)用器有(you)較(jiao)高的(de)(de)隔(ge)離霜度(du),一般實現(xian)了20dB以上內容,這(zhe)能有(you)效的(de)(de)縮減轉換(huan)串(chuan)口(kou)兩(liang)者的(de)(de)數字信號騷擾。
駐(zhu)波(bo)比(bi)(bi):駐(zhu)波(bo)比(bi)(bi)是估量數據信號在(zai)發送線(xian)上銷售折射的(de)(de)程(cheng)度的(de)(de)一款 性能指(zhi)標。PS2-185/NF帶狀線(xian)2路電分(fen)派器的(de)(de)駐(zhu)波(bo)比(bi)(bi)一般說(shuo)來較(jiao)低,輸入輸出駐(zhu)波(bo)比(bi)(bi)一般說(shuo)來在(zai)1.70:1左右(you)兩(liang)邊,這有助于保證移(yi)動信號的(de)(de)比(bi)(bi)較(jiao)穩(wen)定視頻傳輸。

物理性屬性
接入(ru)器種類:PS2-185/NF選取(qu)SMA母(mu)頭是 進行(xing)連接方式器,有幫(bang)助于(yu)與(yu)其他一些rf射頻微波(bo)加熱元器展開進行(xing)連接方式。
的結構主要形式(shi):PS2-185/NF帶(dai)狀(zhuang)線2路(lu)開關電(dian)源配資器應用分開式(shi)構成,影(ying)響于連接和(he)維保(bao)。
應該用的場景
PS2-185/NF帶狀線2路開關(guan)(guan)開關(guan)(guan)電(dian)源分銷(xiao)器適宜(yi)不同(tong)須(xu)要特性(xing)優良(liang)開關(guan)(guan)開關(guan)(guan)電(dian)源分銷(xiao)的商務活動(dong),如微波射(she)頻(pin)射(she)頻(pin)微波射(she)頻(pin)溝通模(mo)式(shi)、機載統計、遙感衛星溝通模(mo)式(shi)等。在一些模(mo)式(shi)中,PS2-185/NF就可以作為安(an)穩、安(an)全性(xing)靠譜的電(dian)原分發,抓實程序的正常人運(yun)營。
產(chan)出公(gong)司(si)與身份認證
PS2-185/NF帶狀(zhuang)線2路外接電(dian)源分銷器(qi)由有高錯誤率(lv)率(lv)的方法水平鋼筋取(qu)樣料貨存優勢與劣勢的MCLI產(chan)生,如MCLI等(deng)。MCLI擁有ISO 9001:2000認(ren)證(zheng)服(fu)務(wu)標準規(gui)范(fan),并借助(zhu)MIL-I-45208和MIL-Q-9858A等(deng)國(guo)防軍事規(gui)范(fan)安(an)全(quan)性認(ren)證(zheng),抓好廠品(pin)級量和安(an)全(quan)性靠譜性。
東莞 市立維創展創新科技較少我司授權管理一級代理賣MCLI食品,MCLI因而高速 最快的藝和原材質料庫存盤點的優勢,并能確保高速 分娩和生產加工。MCLI按照ISO 9001:2000審核原則,并能夠 了MIL-I-45208和MIL-Q-9858A企(qi)業(ye)認證(zheng)。感(gan)謝諮詢。