行業中新聞
發部(bu)時刻:2025-02-10 15:58:30 手機瀏覽(lan):623
ALN3750-13-3335直(zhi)徑波低(di)躁音(yin)放縮器是直(zhi)徑波通信(xin)設備設備中的重要配件,專為高頻率數(shu)字(zi)信(xin)號放縮而裝修(xiu)設計,越發應用在5G及(ji)未來6G安全(quan)可(ke)靠、遙感衛星(xing)安全(quan)可(ke)靠及聲(sheng)納系統化等mm波頻(pin)段使用。
特(te)征:
幾(ji)率(lv)範圍:ALN3750-13-3335在(zai)35.0至40.0GHz頻段內供(gong)應(ying)低背(bei)景(jing)噪聲、高(gao)增(zeng)加收(shou)益的方法(fa)特性。
保持穩定(ding)義與輸入:應有低輸(shu)出功(gong)率駐波比(VSWR),確保安(an)全生產無水(shui)平穩定的,改(gai)善(shan)系統性整體的效能。
省油(you)的suv生活:體(ti)積大概小巧玲瓏,費用(yong)經濟效益高(gao),適用(yong)智(zhi)能家居控制于各種類型主體(ti)工程型通訊技術設施中。
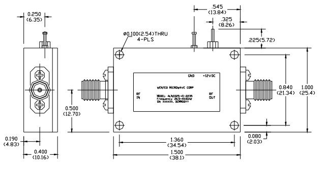
插(cha)孔規(gui)范標(biao)準(zhun):運用K型(xing)母聯系器算作放(fang)入(ru)/轉換數據接口,有助(zhu)于與別器件拼(pin)接。
外接電源消(xiao)費需求:僅需(xu)多元(yuan)化(hua)整流24v電(dian)(dian)源模(mo)(mo)塊電(dian)(dian)力,預置相電(dian)(dian)壓緩(huan)解(jie)器(qi),要(yao)學會簡化(hua)24v電(dian)(dian)源模(mo)(mo)塊治理(li)。
的溫度適用性強:任務熱(re)度標準寬(-40°C至(zhi)+75°C),儲藏濕度區域(-55°C至(zhi)+85°C),適應能力(li)多種不同區域環(huan)境標準。
使用(yong)性能:
極低低頻噪(zao)音比率:ALN3750-13-3335依靠自己比較(jiao)好的(de)的(de)半導體材料流程和協調的(de)集成運放設汁,實行了非常低的(de)噪音(yin)指(zhi)數(shu),很(hen)好限制平臺噪音(yin),更為明顯完善信(xin)息比較(jiao)清楚度。
高收獲基本特(te)征:為滿(man)足了mm毫米波微(wei)波通信對表現撓度的嚴峻規定要求,ALN3750-13-3335提拱高(gao)收(shou)獲(huo)模擬(ni)輸出,為了保證(zheng)4g信號在輸送外鏈中保持穩定一定的強(qiang)度,才能減(jian)少衰(shuai)減(jian)。
經驗(yan)豐富(fu)的穩定(ding)性(xing)能分析高(gao)性(xing):為(wei)規避自(zi)激(ji)自(zi)激(ji)振(zhen)蕩和走勢失真(zhen),ALN3750-13-3335所采用自(zi)主創新的(de)平(ping)衡點成(cheng)分或穩(wen)固(gu)性(xing)明顯增強技術性(xing),抓好(hao)在公厘波頻段內穩(wen)固(gu)工(gong)作的(de)。
佛山市立維創展科技欧洲一区二区-欧美激情一区二区-国产激情在线-欧美在线一区二区是WENTEQ的(de)供(gong)應商商,核(he)心給出WENTEQ產(chan)品例如橢圓形器、防(fang)護器、載(zai)荷POS機終端等(deng),產(chan)品原(yuan)版進(jin)出口,服務質(zhi)量 保障,價(jia)錢特點,追(zhui)捧咨詢了解。

Parameters | Specifications | |||
Minimum | Typical | Maximum | ||
Frequency Range | GHz | 35.0 | 40.0 | |
Nominal Gain @25°C base plate temperature | dB | 30.0 | 33.0 | 36.0 |
Noise Figure | dB | 3.5 | 4.0 | |
P-1dB Compression Point | dBm | 12.0 | 15.0 | |
Output IP3 | dBm | 18.0 | 22.0 | |
Gain flatness | dB | +/-1.5 | +/-2.0 | |
Gain Variation over Temperature Range | dB | +/-1.5 | +/-2.0 | |
Reverse Isolation | dB | 55.0 | ||
Input VSWR | - | 1.8:1 | 2.5:1 | |
Output VSWR | - | 1.8:1 | 2.5:1 | |
Spurious | dBc | -70.0 | ||
Operating Temperature | °C | -40.0 | +75.0 | |
Survival Temperature | °C | -45.0 | +125.0 | |
DC Power Supply Voltage | V | +8.0 | +10.0 | +12.0 |
DC Power Supply Current | mA | 150.0 | 230.0 | 280.0 |
RF In/Out connectors | k-Female | |||
DC Input Connector | Feedthru Pin | |||
Size | inches | 1.50×1.0×0.4 | ||