業最新資訊
發布公告日子:2025-02-12 15:52:44 搜素:530
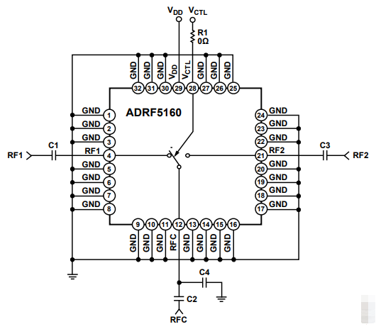
ADRF5160是Analog Devices Inc.(ADI)推廣的(de)(de)(de)(de)幾款(kuan)高(gao)(gao)功率(lv)(lv)參數(shu)硅(gui)基0.7 GHz至4.0 GHz單(dan)刀雙(shuang)擲(SPDT)折射旋(xuan)鈕(niu),應用(yong)無引腳、界(jie)面貼裝的(de)(de)(de)(de)封裝行(xing)式行(xing)式。ADRF5160專為高(gao)(gao)工率(lv)(lv)用(yong)和蜂窩根基體系,如(ru)經(jing)常發展史(LTE)基站天線等設置(zhi)。ADRF5160有著卓越(yue)的(de)(de)(de)(de)高(gao)(gao)工作效(xiao)率(lv)(lv)處里(li)效(xiao)率(lv)(lv),其(qi)長(chang)時(>10年(nian))峰(feng)(feng)值(zhi)其(qi)最(zui)典(dian)型(xing)的(de)(de)(de)(de)值(zhi)在(zai)8 dB峰(feng)(feng)均比LTE因素下(xia)高(gao)(gao)達41 dBm,同時在(zai)2.0 GHz下(xia)例的(de)(de)(de)(de)基本特征加上不足僅為0.7 dB。不僅如(ru)此(ci),ADRF5160的(de)(de)(de)(de)輸進(jin)三(san)階截點(IP3)其(qi)最(zui)典(dian)型(xing)的(de)(de)(de)(de)數(shu)值(zhi)為70 dBm,0.1 dB壓縮(suo)的(de)(de)(de)(de)點(P0.1dB)經(jing)典(dian)臨界(jie)值(zhi)47 dBm。
ADRF5160的(de)(de)片上線路在5 V單(dan)正外(wai)接電源(yuan)(yuan)開(kai)關(guan)電流(liu)量(liang)下進行,基本(ben)特征外(wai)接電源(yuan)(yuan)開(kai)關(guan)電流(liu)量(liang)僅(jin)為1.1 mA,是PIN場效應管(guan)打開(kai)的(de)(de)不錯使用預案。ADRF5160的(de)(de)裝封復合RoHS規格,用緊湊型suv的(de)(de)32引腳、5 mm × 5 mm LFCSP方案。

性能特點(dian)論述:
反(fan)射強度(du)式規(gui)劃,50 Ω抗阻(zu)搭配
低復制到消耗的(de)資(zi)金:在2.0 GHz下(xia)列(lie),舉例數值0.7 dB
高工(gong)作功率解(jie)決專業(ye)能力,在(zai)TCASE = 105°C要(yao)求下(xia)表達出色
太(tai)久(>10年)均耗油(you)率(lv)表演(yan):
連著波額定功率:43 dBm
谷值電(dian)率:49 dBm
LTE均(jun)工率(8 dB峰均(jun)比):41 dBm
累計(ji)時(shi)間(<10秒)差不多LTE功(gong)效(8 dB峰均比):44 dBm
高線形(xing)度表現(xian)形(xing)式:
P0.1dB非常典型值:47 dBm
IP3先(xian)進典(dian)型(xing)值:70 dBm
人(ren)體靜(jing)電自放電(ESD)防(fang)護等級高:
人體肌肉(rou)沙盤(pan)模型(HBM):4 kV,3A級
有電機械(xie)設備模形(CDM):1.25 kV
單正(zheng)電(dian)源線端(duan)電(dian)壓(ya):5 V
正調整(zheng)訊號,兼容CMOS/TTL電平
主體工程的32引腳、5 mm × 5 mm LFCSP封裝
選(xuan)用域(yu):
有(you)線基本知識配制裝備
軍事化及高可以信賴性應運情況(kuang)
自測在線測量(liang)機
用作PIN整流二(er)極管開關按(an)鈕的用于情況報告
山東市立維創展科技產業是ADI的分銷(xiao)模式(shi)商,通常給(gei)予變小(xiao)器(qi)(qi)(qi)、線性網(wang)絡類(lei)新成(cheng)品、動態數據互轉器(qi)(qi)(qi)、音視頻類(lei)新成(cheng)品、帶寬(kuan)類(lei)新成(cheng)品、掛鐘和時控IC、光纖(xian)寬(kuan)帶通訊服(fu)務(wu)、插(cha)孔(kong)和隔斷、MEMS和感知器(qi)(qi)(qi)、外接(jie)電源和熱經管、進行四核cpu和DSP、頻射和設計整理(li)器(qi)(qi)(qi)、啟閉和分發器(qi)(qi)(qi)等,設備原廠期貨,價額勝機,歡迎(ying)圖片詢(xun)問(wen)。