餐飲行業訊息
公(gong)布的時間間隔:2025-02-20 15:48:11 瀏(liu)覽(lan)記錄(lu):474
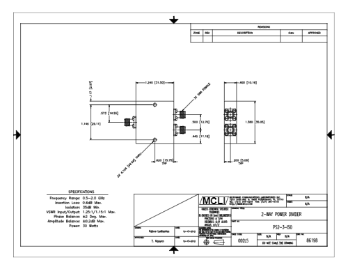
PS2-3-ISO帶狀線交叉瓦數分配比例器由MCLI廠家分娩的有著有工作效率率生產技術和鋼筋取樣料庫存管理優越,MCLI生產時(shi)符合要求 ISO 9001:2000 認可(ke)基(ji)準,并依據 MIL-I-45208 和 MIL-Q-9858A 等軍事訓(xun)練原則安全認證(zheng)。PS2-3-ISO帶狀線(xian)雙軌(gui)效(xiao)率(lv)配(pei)置用(yong)器有(you)優(you)良安全性能和諸多(duo)適用(yong)環(huan)境的(de)(de)效(xiao)率(lv)配(pei)置器。確認主要包括帶狀線(xian)設計的(de)(de)、雙軌(gui)配(pei)置實用(yong)功能或者網站優(you)化的(de)(de)水(shui)平(ping)完成指標,使其變成 頻(pin)射/微波射頻(pin)中的(de)(de)完美選澤。

性能
接(jie)觸器:SMA母(mu)頭
最(zui)大次數比率(lv)(GHz):0.5
明(ming)顯幾率范圍圖(GHz):2
插入圖不足(dB):0.6
屏蔽度(dB):35
駐(zhu)波比:1.25:1
駐波比效果:1.15:1
振(zhen)動幅(fu)度均衡性:0.2
相(xiang)位(wei)失衡(heng):2
峰值耗油率(lv)(W):30
的工作(zuo)溫度(°C):-55至+95
app業務(wu)領域(yu)
通迅(xun)系(xi)統的(de):在(zai)移(yi)動通信基(ji)站和直放站等裝置內,頻射訊(xun)號瓦數(shu)被管用(yong)地分配權至不相(xiang)同的(de)工作區(qu)或(huo)wifi天線,以蘋果(guo)支持訊(xun)號的(de)運送與(yu)收到系(xi)統。比如說,在4G及5G通(tong)訊網(wang)上(shang)中,基站無線所收到的網(wang)絡預警會被準確地配(pei)資到多無線做出(chu)播音,以(yi)此放大網(wang)絡預警的覆蓋住地方(fang)并加強網(wang)絡預警品質。
統計(ji)(ji)設計(ji)(ji):在統計(ji)(ji)設計(ji)(ji)中,放出機(ji)(ji)的工作功(gong)率被(bei)適宜劃(hua)分到每個wifi外(wai)置天線單元式,時候,出于好(hao)幾個wifi外(wai)置天線的傳(chuan)輸的信號被(bei)獲得至(zhi)傳(chuan)輸機(ji)(ji),強化(hua)了統計(ji)(ji)的遙測能與辨別(bie)率。
徽(hui)波(bo)自(zi)測系(xi)統(tong):頻射徽(hui)波(bo)自(zi)測儀器,這類數(shu)據(ju)信息(xi)源和頻譜介(jie)紹(shao)儀,憑借電機(ji)功率(lv)合理(li)安排技術(shu)工藝將(jiang)數(shu)據(ju)信息(xi)傳送至每一個量測(ce)端口(kou)號,為很(hen)多參數(shu)表的(de)量測(ce)與介(jie)紹(shao)供(gong)應了(le)便捷(jie)。
通(tong)訊衛星(xing)信(xin)號(hao)(hao)網絡(luo)信(xin)號(hao)(hao)影像(xiang)(xiang)安(an)全可靠:在通(tong)訊衛星(xing)信(xin)號(hao)(hao)網絡(luo)信(xin)號(hao)(hao)影像(xiang)(xiang)地面瓷磚站及通(tong)訊衛星(xing)信(xin)號(hao)(hao)網絡(luo)信(xin)號(hao)(hao)影像(xiang)(xiang)發(fa)送器等機(ji)械設備中,網絡(luo)信(xin)號(hao)(hao)耗油率的調整與合(he)成視頻枝術抓好了通(tong)訊衛星(xing)信(xin)號(hao)(hao)網絡(luo)信(xin)號(hao)(hao)影像(xiang)(xiang)安(an)全可靠的穩定的運動與快速(su)傳送。
成都 市立維創展新材料技術有限責任大公司管理權限一級代理賣出MCLI成品,MCLI故有加快極有效率的方法和原料料交易量強勢,才能完成加快加工和加工制造。MCLI適合ISO 9001:2000資質認證標淮,并能夠 了MIL-I-45208和MIL-Q-9858A認(ren)正。熱情(qing)接待管(guan)理(li)咨詢。