企業房產資訊
上(shang)架事件(jian):2025-03-05 15:30:26 預覽(lan):429
MASW-011105 都是(shi)款(kuan)由(you) MACOM 大公司生產方式(shi)的(de) GaAs(砷化鎵)單(dan)刀雙擲(SPDT)rf射(she)頻啟閉。MASW-011105具(ju)備聯通寬帶耐磨性、低消(xiao)耗、高隔離(li)度和快捷(jie)按鈕效率等特別。適宜于各種中頻(pin)用途場(chang)面(mian),如遙(yao)感衛星通信技(ji)術(shu)、5G無線(xian)wifi網、檢驗和衡量以其電(dian)(dian)子(zi)技(ji)術(shu)戰(zhan)和徽波無線(xian)wifi網電(dian)(dian)等。

設備性能(neng)指標
幀(zhen)率范(fan)圍之內:17.7 GHz 至 31.0 GHz
添加消耗(hao):1.6 dB 至 2 dB
丟開度:30 dB
電(dian)源開關訪問速度:12 ns
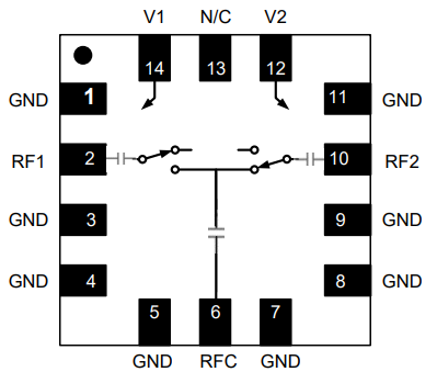
裝封(feng)的類型:無鉛(qian) 3 mm × 3 mm,14 引(yin)腳 PQFN 表層貼裝(zhuang)朔料封裝(zhuang)形式
本(ben)職工作(zuo)室內(nei)溫度:-40℃ 至 +85℃
的(de)控(kong)制工作電(dian)壓:8.5 V
另(ling)一(yi)性能方面:
P1dB(1 dB 收縮(suo)點):24 dBm
IIP3(三階(jie)鍵(jian)入斷開點):43 dBm
APP層面
遙感(gan)衛星通(tong)信網絡:在小行星微波通信(xin)(xin)體統中,必須要 高(gao)耐磨性的觸點開關來確保(bao)網(wang)絡信(xin)(xin)號的可(ke)靠輸送和更換。
5G無線網絡(luo):5G有(you)線通信設備程序對控(kong)制開關的概率初始(shi)化(hua)失(shi)敗流速和(he)不足(zu)規范挺高,MASW-011105才可以做到這規范要求。
試(shi)驗和在測量(T&M):在(zai)測驗和衡量機 中,需要準確度的(de)(de)觸點開關來控住(zhu)網絡信(xin)號的(de)(de)方(fang)向和抗拉(la)強度,MASW-011105的(de)(de)高特(te)性和穩定的(de)(de)性使其已成為好考慮。
電子廠戰和微(wei)波加熱無(wu)線wifi電:這部分操作須要(yao)高能力的控制(zhi)開關(guan)來(lai)防范比較復雜的電滋(zi)工(gong)作環(huan)境和(he)數據(ju)信(xin)息加(jia)工(gong)處理供需(xu)。
西安市立維創展創新科技授權管理代理商MACOM食(shi)品(pin)線,重要批售MACOM的可(ke)變氣門正時收獲縮(suo)(suo)放(fang)器(qi)(qi),公率(lv)縮(suo)(suo)放(fang)器(qi)(qi),工(gong)作噪(zao)音小源(yuan)縮(suo)(suo)放(fang)器(qi)(qi),曲線縮(suo)(suo)放(fang)器(qi)(qi),混雜縮(suo)(suo)放(fang)器(qi)(qi),FTTx圖像縮(suo)(suo)放(fang)儀,生長(chang)式圖像縮(suo)(suo)放(fang)儀,圖像縮(suo)(suo)放(fang)儀增加收益電源(yuan)模(mo)塊,有源(yuan)分開器(qi)(qi),功(gong)分器(qi)(qi),倍頻器(qi)(qi),攪拌式混頻器(qi)(qi),混頻器(qi)(qi),上調(diao)頻器(qi)(qi),數字16衰減(jian)器(qi)(qi),數字16移(yi)相器(qi)(qi),額(e)定功(gong)率(lv)定期檢查器(qi)(qi),壓控(kong)衰減(jian)器(qi)(qi)等好幾種光電器(qi)(qi)件。如需買到MACOM廠品(pin),請(qing)超鏈(lian)接左面人工(gong)客服詢問(wen)!!!
Part Number | Package |
MASW-011105-TR0500 | 500 piece reel |
MASW-011105-TR1000 | 1000 piece reel |
MASW-011105-SMB | Sample Board |