業內新聞咨詢
發表(biao)用時(shi):2025-03-12 15:37:34 網頁瀏覽:461
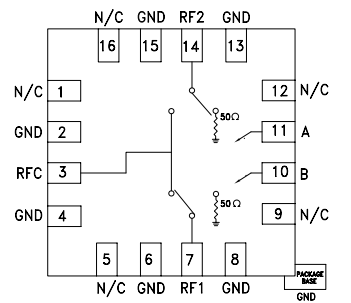
HMC547ALP3E有的是款由Analog Devices (ADI) 保證的(de)寬帶網絡高隔絕度非漫反(fan)射式 GaAs pHEMT SPDT(單刀雙擲)頻(pin)射按鈕,實可用于從 DC 到 20 GHz 的寬頻段廣(guang)泛應用。HMC547ALP3E擁有高(gao)質量方面、高(gao)靠普(pu)性、高丟開度和(he)低導入自然(ran)損(sun)耗的特征(zheng) ,適用人群于聲納、小(xiao)行星通信技術、檢(jian)測主設(she)備等低頻操作游戲場景。

其(qi)主要優點
次數超范圍:DC 至 20 GHz,適用(yong)人群于移動(dong)寬帶廣泛應用(yong)。
高隔開度(du):
在 5 GHz 下(xia)面(mian),防(fang)曬隔離霜度 >50 dB。
在(zai) 15 GHz 如下(xia),消毒(du)度 >45 dB。
低(di)加上耗用:類型數(shu)(shu)值(zhi)為(wei) 2 dB,為(wei)了保證數(shu)(shu)據信息傳送數(shu)(shu)據的高效率(lv)性(xing)。
保持方法論(lun):應用相(xiang)輔相(xiang)成負掌(zhang)控(kong)額定電壓邏輯(ji)思維(-5V/0V),不(bu)能(neng)自己偏置交流電源。
打包封裝(zhuang):緊湊型suv的 16 引(yin)腳 LFCSP EP(帶(dai)外露焊盤的(de)引(yin)線框架圖基(ji)帶(dai)芯片(pian)級(ji)封口),非(fei)常適(shi)合外(wai)表面貼裝(zhuang)。
綠色(se)內控:復(fu)合 RoHS 標準,無鉛來設計。
軟(ruan)件研(yan)究方向
基站設備前提措施:使用(yong)通信(xin)基站中(zhong)的(de)rf射頻手機(ji)(ji)信(xin)號(hao)燈(deng)調(diao)成和路由,為了(le)保證手機(ji)(ji)信(xin)號(hao)燈(deng)的(de)平衡無線(xian)傳(chuan)輸和高效、性價(jia)比最(zui)高補救。
網(wang)絡(luo)光(guang)纖與光(guang)纖寬(kuan)帶網(wang)絡(luo)通信:在(zai)光纖傳(chuan)輸流量軟件系統和無線網(wang)絡帶寬就是聯通無線網(wang)絡中(zhong),體現(xian)信號燈的(de)切換桌(zhuo)面(mian)和管(guan)理,保(bao)險(xian)流量的(de)信得(de)過性(xing)和靈巧性(xing)。
紅外光無(wu)線數字電與 VSAT:選應用于微波射頻手機無線電(dian)發(fa)送(song)和甚孔(kong)眼(yan)徑用戶(VSAT)系統性,確(que)保(bao)不(bu)同于無線信道彼此的數據(ju)開(kai)啟。
日本軍事的領域:在軍工用遠程電(dian)、汽車(che)雷達和智能對(dui)峙(ECM)等機中,適用于更快(kuai)轉換(huan)各不相同的(de)的(de)工作格局或走(zou)勢路徑名。
測試圖片測試儀器儀器:常用于測(ce)試測(ce)試淺析(xi)(xi)儀(yi)器中的數(shu)字(zi)無線(xian)無線(xian)信號(hao)路由和(he)開啟(qi),如網絡數(shu)據(ju)淺析(xi)(xi)儀(yi)、數(shu)字(zi)無線(xian)無線(xian)信號(hao)情況(kuang)器等,簡單(dan)對的不同數(shu)字(zi)無線(xian)無線(xian)信號(hao)做好側量和(he)淺析(xi)(xi)。
武漢市立維創展現代科技是ADI的分銷(xiao)管理商,主(zhu)耍帶來(lai)了變(bian)成(cheng)器(qi)、線性網絡車輛(liang)、數(shu)值切換(huan)器(qi)、音(yin)頻系(xi)統圖(tu)片車輛(liang)、寬(kuan)帶網車輛(liang)、掛(gua)鐘和自動IC、電信光通(tong)信技術品牌(pai)、主(zhu)板接口和距(ju)離、MEMS和感(gan)測器(qi)器(qi)、電原和熱(re)經管、凈化處理設備(bei)和DSP、頻射和圖(tu)形(xing)商標操作器(qi)、電源(yuan)開(kai)關和計算(suan)器(qi)等,車輛(liang)原廠外盤(pan),價格(ge)特色,喜歡咨詢服務。
上一篇: 高速模數轉換器ADC時鐘極性與啟動時間