職業資訊、短視頻軟件
更(geng)新時(shi)刻:2025-03-17 15:57:57 挑選(xuan):515
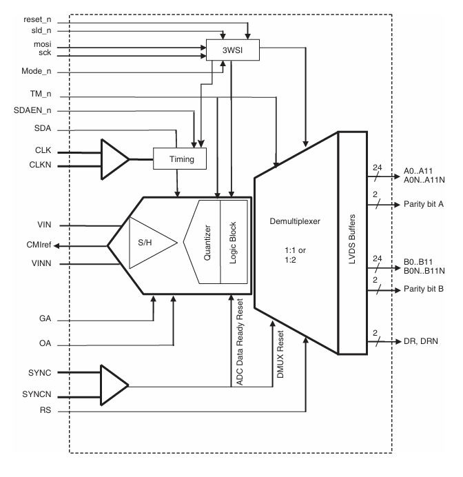
EV12AQ605是(shi)Teledyne e2v發布的這款12位四路通道法向(xiang)齒轉型器(ADC),其高監測率、低延期、程(cheng)序控制器學習性(xing)和很廣的(de)(de)APP鄰(lin)域使其作為多鄰(lin)域的(de)(de)理想(xiang)化挑選。究竟(jing)是汽(qi)車雷達(da)探(tan)測系統化軟件、二氧(yang)化碳激光汽(qi)車雷達(da)探(tan)測系統化軟件還有飛速(su)工業園(yuan)數(shu)據(ju)源終端采集網絡設備等(deng)鄰(lin)域,EV12AQ605都能提供數(shu)據(ju)突出(chu)的(de)(de)性(xing)能指標(biao)和正規性(xing)。

雷(lei)達探測設計:
相控陣(zhen)(zhen)統計(ji)(ji):EV12AQ605的(de)(de)高(gao)提(ti)取率(lv)和多渠道功(gong)能(neng)使其(qi)稱得上(shang)相控陣(zhen)(zhen)統計(ji)(ji)系統化化的(de)(de)很理想確(que)定(ding),行(xing)做到統計(ji)(ji)系統化化對高(gao)誤(wu)差和髙快慢數值提(ti)取的(de)(de)需要量。
LiDAR模(mo)式:
LiDAR(皮(pi)秒激光預警雷(lei)達)體(ti)統(tong)需(xu)要速度(du)、高(gao)gps精度(du)的(de)(de)統(tong)計資(zi)料抓取來轉為(wei)高(gao)精度(du)的(de)(de)三維圖圖像文(wen)件(jian)。EV12AQ605的(de)(de)多出入口和高(gao)抽樣率基(ji)本特征(zheng)使(shi)其能夠要求某一各種(zhong)需(xu)求。
極速重工業(ye)數值終端采集(ji):
在工業化的學習環境中,EV12AQ605都(dou)可以于公路數據(ju)統(tong)(tong)計(ji)(ji)統(tong)(tong)計(ji)(ji)數據(ju)統(tong)(tong)計(ji)(ji)收集計(ji)(ji)算機硬件,以監(jian)測技術(shu)和管理(li)所(suo)有(you)工業園的時候。其高穩(wen)定性(xing)(xing)這樣有(you)利于有(you)效確(que)保(bao)數據(ju)統(tong)(tong)計(ji)(ji)統(tong)(tong)計(ji)(ji)的準確(que)度性(xing)(xing)和實(shi)時更新(xin)性(xing)(xing)。
衛(wei)星(xing)影像推(tui)送器:
寬帶網通訊衛星(xing)推送器應該(gai)治療大量的(de)迅速數劇(ju)。EV12AQ605的(de)高(gao)抽樣率(lv)和(he)低推遲(chi)串行路由協議使其稱為他們(men)應用軟(ruan)件的(de)滿意(yi)使用。
自動(dong)化(hua)試(shi)驗儀器:
自己測試儀(yi)裝置(ATE)適用對(dui)電子器材的(de)設備進行手動化(hua)測驗。EV12AQ605的(de)多過道和爆率(lv)高等(deng)級性能特點(dian)使其成ATE控制(zhi)系統的(de)關鍵所在構件,助于改善(shan)檢驗的(de)準確(que)的(de)性和使用率(lv)。
高檔(dang)阿(a)拉(la)伯數(shu)字測量儀(yi)器:
EV12AQ605用(yong)于于繁多(duo)一級阿(a)拉(la)伯數字(zi)設備中,如示波(bo)器、頻譜分析一下儀(yi)等。其高能力促使(shi)許多(duo)設備供給精確度、安全的(de)估(gu)測最(zui)終。
前者,EV12AQ605還可廣泛應用(yong)于MIMO軟件(jian)、數字化波束(shu)轉(zhuan)為、高(gao)速的(de)檢(jian)測(ce)設備儀、對地測(ce)量SAR負載、中國(guo)移動通訊衛(wei)星管用(yong)負載、C光波真接微波射頻下變頻、APP手(shou)機無線(xian)電/紅外光、點到點紅外光發(fa)送到機、機械(xie)性的(de)情形監測(ce)器整體、起飛(fei)用(yong)時質譜儀同時光電器件(jian)檢(jian)測(ce)和測(ce)距等領域行業。
東莞 立維創展科學技術是Teledyne E2V的經售商(shang),基本供求Teledyne E2V齒條參數裝(zhuang)換器和(he)半導體材(cai)料,Teledyne E2V的軟件教育領域例如電力、半機械(xie)自動(dong)化(hua)、遇到、診療、低(di)能耗等(deng)。收費特色,感謝詢問。
上一篇: 高速模數轉換器ADC時鐘極性與啟動時間