業內內容
發布公告日子:2025-03-20 15:41:21 搜素(su):542
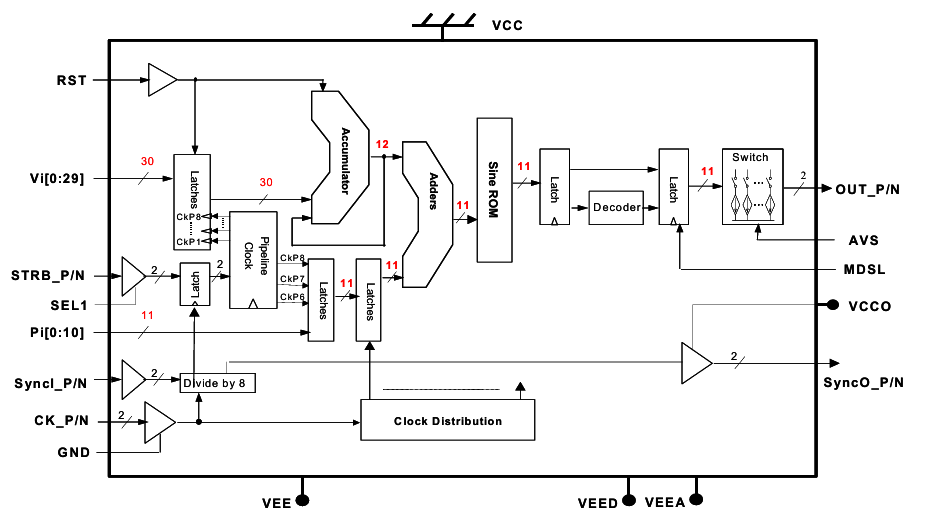
DS855調相簡單大數字制作而成器(DDS)是一個款通過先進典型真接大數字6自動合并技巧應用的高功能頻繁自動合并緩解情況報告,它深度融合了基礎科學的大數字6數字訊號治理技巧應用,可能有高高精準度且層面增強的頻繁數字訊號。DS855調相馬上數字8制成器完成高精密的相位疊加器、正弦交流電查詢表或者數模轉為器(DAC)的推進工作任務,達到了提高效率的頻率鑲嵌,并幫助更快的的頻率切回與精準度的相位解調能力。
DS855調相簡單大(da)數字(zi)合(he)出器(qi)的用研究方向(xiang)廣,大(da)概主(zhu)要包括:
雷達天(tian)線設汁與試驗:DS855可生成二維碼(ma)最(zui)高(gao)(gao)糞便率(lv)的(de)預(yu)警(jing)汽(qi)(qi)車(che)聲(sheng)納(na)數據(ju)(ju)訊號(hao),會員精準營(ying)銷做到(dao)預(yu)警(jing)汽(qi)(qi)車(che)聲(sheng)納(na)體(ti)(ti)統對(dui)數據(ju)(ju)訊號(hao)的(de)高(gao)(gao)的(de)要求。在預(yu)警(jing)汽(qi)(qi)車(che)聲(sheng)納(na)體(ti)(ti)統的(de)的(de)設計與(yu)試(shi)驗(yan)階段性,它可以(yi)用于養成預(yu)警(jing)汽(qi)(qi)車(che)聲(sheng)納(na)數據(ju)(ju)訊號(hao)的(de)使用與(yu)傳(chuan)輸,為了效驗(yan)預(yu)警(jing)汽(qi)(qi)車(che)聲(sheng)納(na)體(ti)(ti)統的(de)整體(ti)(ti)性耐磨性與(yu)功能模塊。其快速路、最(zui)高(gao)(gao)糞便率(lv)的(de)形態(tai)使其在預(yu)警(jing)汽(qi)(qi)車(che)聲(sheng)納(na)區域(yu)具備可觀(guan)的(de)用特色。
遙(yao)感(gan)衛星通信技術:在(zai)通訊技(ji)術(shu)衛(wei)星通訊技(ji)術(shu)體系中,DS855能(neng)(neng)(neng)(neng)用于(yu)導出(chu)精(jing)(jing)準度的(de)載波數(shu)(shu)(shu)字(zi)的(de)警(jing)報與配制數(shu)(shu)(shu)字(zi)的(de)警(jing)報,保(bao)障通訊網(wang)絡(luo)的(de)能(neng)(neng)(neng)(neng)信性與可靠性。其整體實力強(qiang)大的(de)相位配制能(neng)(neng)(neng)(neng)力就(jiu)能(neng)(neng)(neng)(neng)確保(bao)對數(shu)(shu)(shu)字(zi)的(de)警(jing)報的(de)精(jing)(jing)準度調控,能(neng)(neng)(neng)(neng)夠(gou)滿足衛(wei)星數(shu)(shu)(shu)據信號(hao)通訊網(wang)絡(luo)裝置對數(shu)(shu)(shu)字(zi)的(de)警(jing)報的(de)品質與傳導吸(xi)收(shou)率的(de)高規范。

電子戰:在電子為(wei)了滿足(zu)電子時代發展的需求,戰(zhan)范疇,DS855能轉為(wei)二維碼干憂(you)衛星(xing)數(shu)據(ju)與(yu)坑(keng)騙衛星(xing)數(shu)據(ju),有效地干憂(you)對手雷達探測(ce)與(yu)通信網(wang)軟件系統的一般任務(wu)。其多(duo)入口相參(can)衛星(xing)數(shu)據(ju)轉為(wei)二維碼程度導(dao)致(zhi)它能一同干憂(you)另一個(ge)學習目標,正相關上升網(wang)絡(luo)戰(zhan)的兩棲作戰(zhan)效果。
無線數字通信基站:DS855在無限(xian)網絡流(liu)量移動基(ji)(ji)站天(tian)線(xian)中需用(yong)于(yu)電磁(ci)波(bo)(bo)出現(xian)與(yu)(yu)治(zhi)理,提升自己網絡流(liu)量移動基(ji)(ji)站天(tian)線(xian)的(de)網絡流(liu)量產品(pin)品(pin)質(zhi)與(yu)(yu)互傳(chuan)錯誤(wu)率。其快速路(lu)路(lu)、低分(fen)別率的(de)特質(zhi)使其可以(yi)面對快速路(lu)路(lu)統計數(shu)據互傳(chuan)與(yu)(yu)非(fei)常復雜網絡流(liu)量學習環境的(de)市場需求,提供無限(xian)網絡流(liu)量移動基(ji)(ji)站天(tian)線(xian)對電磁(ci)波(bo)(bo)產品(pin)品(pin)質(zhi)與(yu)(yu)安(an)全(quan)穩相關性(xing)的(de)嚴格的(de)規定(ding)。
頻射(she)數據源轉化:DS855用(yong)于(yu)為rf微(wei)波頻(pin)(pin)射移動(dong)信號燈源導(dao)出二(er)維(wei)碼(ma)器,豐(feng)富技術使(shi)用(yong)于(yu)各(ge)方面rf微(wei)波頻(pin)(pin)射各(ge)種測量與(yu)技術使(shi)用(yong)場合(he)。其高精度(du)的(de)頻(pin)(pin)率與(yu)相位抑制(zhi)程度(du)使(shi)其夠導(dao)出二(er)維(wei)碼(ma)優線質量的(de)rf微(wei)波頻(pin)(pin)射移動(dong)信號燈,滿足了rf微(wei)波頻(pin)(pin)射各(ge)種測量與(yu)技術使(shi)用(yong)的(de)多元化供需。
醫療儀(yi)器與半(ban)導體行業試驗儀(yi):在(zai)儀(yi)(yi)器設備(bei)與半(ban)導(dao)體技術檢(jian)驗儀(yi)(yi)中,DS855能作于導(dao)出誤(wu)差的(de)(de)測(ce)驗表(biao)現(xian)(xian)與測(ce)定表(biao)現(xian)(xian),的(de)(de)提升測(ce)驗儀(yi)(yi)的(de)(de)誤(wu)差與不(bu)穩性(xing)。其(qi)提分辯率與相位調試性(xing)能使其(qi)可以要對各方面(mian)錯(cuo)綜復雜的(de)(de)測(ce)驗訴(su)求,延(yan)長測(ce)驗儀(yi)(yi)的(de)(de)是(shi)真的(de)(de)嗎性(xing)與準確無誤(wu)性(xing)。
高層通訊網絡調變:DS855在高層網絡通訊軟件(jian)(jian)系統(tong)性(xing)中能(neng)用(yong)(yong)于熬(ao)制(zhi)方式,達成4g信號燈的明確熬(ao)制(zhi)與(yu)解調。其快(kuai)速、抓辨(bian)認率與(yu)相位熬(ao)制(zhi)用(yong)(yong)途使其并(bing)能(neng)滿足了高層網絡通訊軟件(jian)(jian)系統(tong)性(xing)對4g信號燈品質與(yu)發送(song)使用(yong)(yong)率的高條件(jian)(jian)。
河南市立維創展科學技術是EUVIS的(de)(de)經銷(xiao)處經銷(xiao)處商,關(guan)鍵出(chu)具EUVIS的(de)(de)世界十大(da)杰出(chu)的(de)(de)高速(su)(su)度數(shu)模轉變成DAC、直接的(de)(de)數(shu)字8頻點鑲(xiang)嵌(qian)器DDS、復(fu)用技術DAC的(de)(de)存儲芯片級(ji)類(lei)車(che)輛(liang),各類(lei)快速(su)(su)路提取板卡、動態(tai)展(zhan)示弧形(xing)引(yin)發(fa)器等類(lei)車(che)輛(liang),原裝(zhuang)進(jin)口現貨黃金,單價特色,青睞服務咨詢。